https://www.tradgardsteknik.se/logotyper/bill_logo_1.png
Patric Torle
info@tradgardsteknik.se
0431-222 90
0431-222 70
Trädgårdsteknik AB tillverkar och bygger växthus, specialväxthus, orangerier, belysning Garden för hela Skandinavien.
Helsingborgsvägen 578
ÄNGELHOLM
262 96
SWEDEN

Tech Tryckpump EV6 IE3  




Tech Tryckpump EV6 IE3

Applikationer:
Vattendistribution
Tryckökning
Dricker vatten
Bevattning
Vattenreningsverk
Trädgårdsarbete/sprinklers
Tvätta enheten
Pannfoder
Inhemska, industriella och jordbrukssystem
Cirkulation av varmt och kallt vatten för uppvärmning, kylning, konditioneringssystem.

Funktioner och Fördelar
Robust och pålitlig
Kompakt och solid struktur
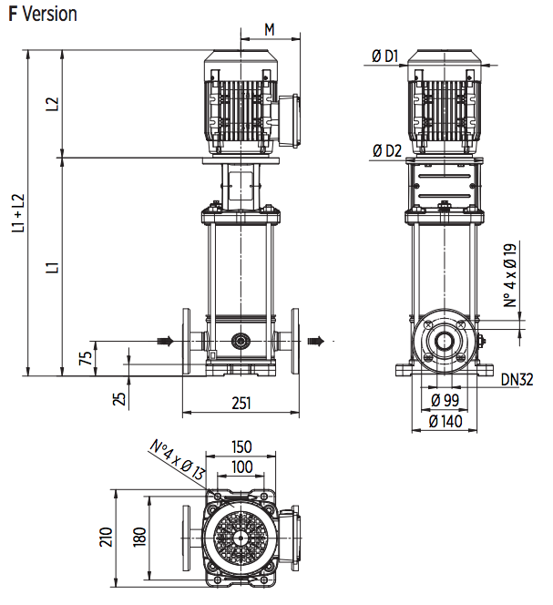
Enkel installation in-line portar
Alla fuktade delar i rostfritt stål
Axellager och tapphylsa av volframkarbid.
Lätt utbytbar patron mekanisk tätning, inget behov av att demontera pumpen; för modeller högre än 4 kW behöver du inte ta bort motorn.
Minskad service och underhållstid.

Pump Modell Märkeffekt P1 max Bar Mängd vatten
l/min  40,0 46,7 53,3 60,0 70,0 83,3 100,0 120,0
m3/h 
2,4 2,8 3,2 3,6 4,2 5,0 6,0 7,2
[kW] [HP]      H = Totalt meter vattenpelares höjd [m]
 EV6-14F 2,2 3 19 105,7 - 96,9 94,1 91,0 86,3 79,4 69,8 52,7
EV6-15F 2,2 3 19 113,1 - 103,3 100,3 97,0 91,9 84,5 74,2 55,8
EV6-16F 2,2 3 19 120,3 - 109,7 106,4 102,9 97,4 89,6 78,5 58,9
EV6-17F 2,2 3 18 127,6 - 116,0 112,5 108,8 102,9 94,5 82,8 61,9
EV6-18F 2,2 3 18 134,8 - 122,3 118,5 114,5 108,3 99,4 87,0 64,8
EV6-19F 3 4 18 142,0 - 128,5 124,5 120,2 113,6 104,2 91,1 67,6
EV6-20F 3 4 17 151,8 - 139,9 135,9 131,7 124,9 115,1 101,4 77,2
EV6-21F 3 4 16 159,2 - 146,5 142,3 137,8 130,7 120,4 106,0 80,5
EV6-23F 3 4 16 173,9 - 159,6 154,9 150,0 142,1 130,8 115,1 87,0
EV6-25F 3 4 15 189,2 - 172,2 167,6 162,8 154,8 142,6 123,5 92,9




För mer information kontakta oss på
0431-222 90


TRÄDGÅRDSTEKNIK AB
Helsingborgsv., Varalöv
262 96 ÄNGELHOLM
Telefon:
0431-222 90
Org Nr:
556409-6120
Webbadress:
www.tradgardsteknik.se
E-post:
info@tradgardsteknik.se