https://www.tradgardsteknik.se/logotyper/bill_logo_1.png
Patric Torle
info@tradgardsteknik.se
0431-222 90
0431-222 70
Trädgårdsteknik AB tillverkar och bygger växthus, specialväxthus, orangerier, belysning Garden för hela Skandinavien.
Helsingborgsvägen 578
ÄNGELHOLM
262 96
SWEDEN

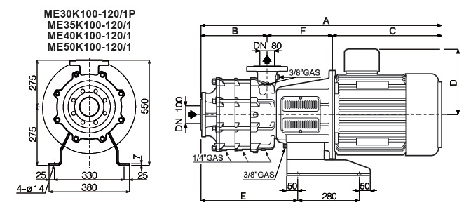
Pumpar elektrisk horisontell flerstegs MEK100-120 EUROPA  




Pumpar elektrisk horisontell flerstegs  MEK100-120 EUROPA

Utvändiga mått i mm och vikt i kg

MEK100-120- 2 Poler
Pump A B C D E F G H P Q R S Pump Vikt Motor Vikt
ME30K100-120/1P * 213 * * 368 312 - - - - - - 106 *
ME35K100-120/1 * 213 * * 368 312 - - - - - - 106 *
ME35K100-120/1 * 213 * * 368 312 - - - - - - 107 *
ME40K100-120/1 * 213 * * 368 312 - - - - - - 107 *
ME50K100-120/1 * 213 * * 368 312 - - - - - - 107 *
ME60K100-120/2 * 313 * * 74 312 900 175 555 585 325 600 182 *
ME75K100-120/2 * 313 * * 74 312 900 175 555 585 325 600 182 *
ME75K100-120/2 * 313 * * 74 312 900 175 555 585 325 600 212 *
ME100K100-120/2 * 313 * * 232 387 945 225 690 720 380 655 196 *
ME125K100-120/3 * 413 * * 332 387 945 225 690 720 380 655 226 *
ME150K100-120/3 * 413 * * 358 387 945 225 690 720 415 655 256 *

 

Pumptyp Motoreffekt  Kapacitet
[l/s]] 0 700 1500 1700 1900 2050 2250 2400 2550 600
[l/min] 0 42 90 102 114 123 135 144 153 36
IEC [kW] [m3/h] 0 11,7 25 28,3 31,7 34,2 37,5 40 42,5 10
ME30K100-120/1P 22 [m] 56 55,5 52,5 50,5 47,5 44,5 - - - -
ME35K100-120/1 26 [m] 57 54 52 50 48 45 42 39 35,5 30,5
ME35K100-120/1 30 [m] 57 54 52 50 48 45 42 39 35,5 30,5
ME40K100-120/1 30 [m] 66 63 60 59 56 54,5 51 48 45 41
ME50K100-120/1 37 [m] 84 80 77 75 73 70 69 66 63 58
ME60K100-120/2 45 [m] 109 104 95 92,5 86,5 81,5 72 62 51 25
ME75K100-120/2 55 [m] 137 133 127 124 119 114 106 99 90 77
ME75K100-120/2 55 [m] 137 133 127 124 119 114 106 99 90 77
ME100K100-120/2 75 [m] 164 160 157 154 149 145 140 135 128 119
ME125K100-120/3 90 [m] 212 206 198 193 186 180 168 159 146 127
ME150K100-120/3 110 [m] 250 243 234 230 224 218 208 198 190 176

Kurvor som fastställts för vätskedensitet 1000 kg/m³ - viskositet 1 mm²/s - temperatur 20°C, η% - Pump verkningsgrad 


  • Pump elektrisk horisontell flerstegs  ME30K100-120/1P 22kW 123m³/h 56m 50Hz
    Art. nr.
    ROV2299
    Pump elektrisk horisontell flerstegs ME30K100-120/1P 22kW 123m³/h 56m 50Hz
  • Pump elektrisk horisontell flerstegs  ME35K100-120/1 26kW 165m³/h 57m 50Hz
    Art. nr.
    ROV2300
    Pump elektrisk horisontell flerstegs ME35K100-120/1 26kW 165m³/h 57m 50Hz
  • Pump elektrisk horisontell flerstegs  ME35K100-120/1 30kW 165m³/h 57m 50Hz
    Art. nr.
    ROV2301
    Pump elektrisk horisontell flerstegs ME35K100-120/1 30kW 165m³/h 57m 50Hz
  • Pump elektrisk horisontell flerstegs  ME40K100-120/1 30kW 165m³/h 66m 50Hz
    Art. nr.
    ROV2302
    Pump elektrisk horisontell flerstegs ME40K100-120/1 30kW 165m³/h 66m 50Hz
  • Pump elektrisk horisontell flerstegs  ME50K100-120/1 37kW 165m³/h 84m 50Hz
    Art. nr.
    ROV2303
    Pump elektrisk horisontell flerstegs ME50K100-120/1 37kW 165m³/h 84m 50Hz
  • Pump elektrisk horisontell flerstegs  ME60K100-120/2 45kW 165m³/h 109m 50Hz
    Art. nr.
    ROV2304
    Pump elektrisk horisontell flerstegs ME60K100-120/2 45kW 165m³/h 109m 50Hz
  • Pump elektrisk horisontell flerstegs  ME75K100-120/2 45kW 165m³/h 109m 50Hz
    Art. nr.
    ROV2305
    Pump elektrisk horisontell flerstegs ME75K100-120/2 45kW 165m³/h 109m 50Hz
  • Pump elektrisk horisontell flerstegs  ME75K100-120/2 55kW 165m³/h 137m 50Hz
    Art. nr.
    ROV2306
    Pump elektrisk horisontell flerstegs ME75K100-120/2 55kW 165m³/h 137m 50Hz
  • Pump elektrisk horisontell flerstegs  ME100K100-120/2 75kW 165m³/h 164m 50Hz
    Art. nr.
    ROV2307
    Pump elektrisk horisontell flerstegs ME100K100-120/2 75kW 165m³/h 164m 50Hz
  • Pump elektrisk horisontell flerstegs  ME125K100-120/3 90kW 165m³/h 212m 50Hz
    Art. nr.
    ROV2308
    Pump elektrisk horisontell flerstegs ME125K100-120/3 90kW 165m³/h 212m 50Hz
  • Pump elektrisk horisontell flerstegs ME150K100-120/3 110kW 165m³/h 250m 50Hz
    Art. nr.
    ROV2309
    Pump elektrisk horisontell flerstegs ME150K100-120/3 110kW 165m³/h 250m 50Hz
För mer information kontakta oss på
0431-222 90


TRÄDGÅRDSTEKNIK AB
Helsingborgsv., Varalöv
262 96 ÄNGELHOLM
Telefon:
0431-222 90
Org Nr:
556409-6120
Webbadress:
www.tradgardsteknik.se
E-post:
info@tradgardsteknik.se