https://www.tradgardsteknik.se/logotyper/bill_logo_1.png
Patric Torle
info@tradgardsteknik.se
0431-222 90
0431-222 70
Trädgårdsteknik AB tillverkar och bygger växthus, specialväxthus, orangerier, belysning Garden för hela Skandinavien.
Helsingborgsvägen 578
ÄNGELHOLM
262 96
SWEDEN

Tryckstyrningsenhet Grundfos PM2 1,5 till 5 bar  




Tryckstyrningsenhet Grundfos PM2  1,5 till 5 bar

    • Grundfos tryckstyrenhet PM 2 är avsedd för automatisk start/stopp-reglering av Grundfospumpar och andra vattenförsörjningspumpar.
    • PM 2 är en allsidig styrningslösning som möjliggör start vid 1,5 till 5 bar.
    • Detta möjliggör anpassning till olika typer av installation och önskad komfortnivå.
    • Starttrycket ställs in med hjälp av DIP-omkopplare bakom manöverpanelen, medan aktuellt tryck visas på LED-displayen på framsidan av PM 2.
    • PM 2 startar pumpen när starttrycket nås, varefter pumpen arbetar så länge flöde föreligger.
    • PM 2 kan optimeras för drift med extern trycktank genom aktivering av funktionen för tryckdifferens 1 bar.
    • Den här funktionen minskar avsevärt antalet pumpdriftstimmar i installationer med trycktank.
    • Dessutom har PM 2 ett antal funktioner som skyddar både pumpen och installationen.
    Skyddsfunktioner
    • Torrkörningsskydd
    • Max antal start/stopp
    • Max. kontinuerlig driftstid (30 minuter)
    • PM 2 har en funktion för automatisk återställning, vilken kan användas för att automatiskt starta om pumpen.

     


    Vätska
    Vätsketemperatur område 0 till 40°C

    Teknisk data
    Godkännanden och märkning CE,EAC,WEEE
    Ventil  Ja

    Installation
    Område för omgivande temperatur 50 °C
    Max. driftstryck 10 bar
    Starttryck 1,5 till 5 bar
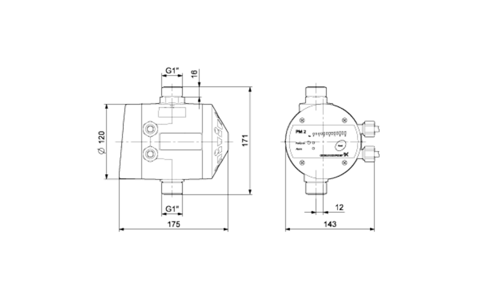
    Insläpp ansluta G1"
    utlopp ansluta G1"
    Insläpp thread Extern
    Utlopp thread Extern
    Tryckavläsning JA

    Elektriskdata
    Uttagen effekt på hastighet 3 2000 W
    Nätfrekvens 50/60 Hz
    Märkspänning 1 x 220-240 V
    Max strömförbrukning 10 A
    Kapslingsklass (EC 34-5) IP65
    Kabellängd 0,5 m
    Typ av skarvkoppling SCHUKO
    Nätkabel 1,5 m

    Tank
    Volym på tryckbehållare 0,1 l

    Övriga
    Nettovikt 1,42 kg
    Bruttovikt 2,2 kg


    » Ritning med mått beskrivning

    • Tryckstyrningsenhet Grundfos PM2  1,5 till 5 bar
      Art. nr.
      GRU96848740
      Tryckstyrningsenhet Grundfos PM2 1,5 till 5 bar
    För mer information kontakta oss på
    0431-222 90


    TRÄDGÅRDSTEKNIK AB
    Helsingborgsv., Varalöv
    262 96 ÄNGELHOLM
    Telefon:
    0431-222 90
    Org Nr:
    556409-6120
    Webbadress:
    www.tradgardsteknik.se
    E-post:
    info@tradgardsteknik.se