https://www.tradgardsteknik.se/logotyper/bill_logo_1.png
Patric Torle
info@tradgardsteknik.se
0431-222 90
0431-222 70
Trädgårdsteknik AB tillverkar och bygger växthus, specialväxthus, orangerier, belysning Garden för hela Skandinavien.
Helsingborgsvägen 578
ÄNGELHOLM
262 96
SWEDEN

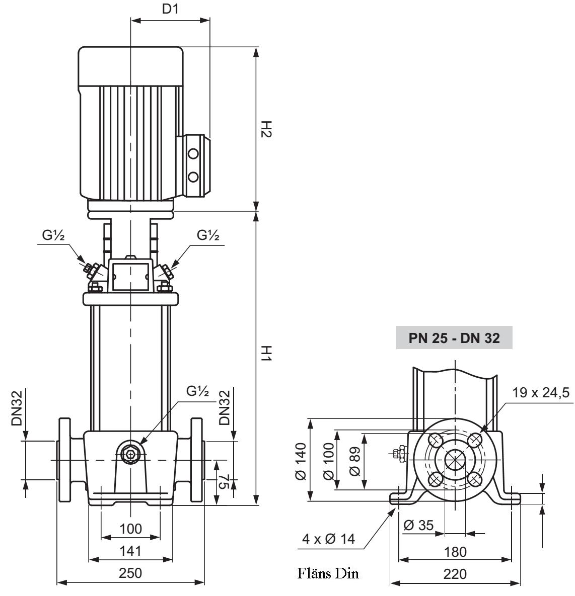
Pumpar elektriska pumpar vertikala flerstegs MEKVS32-3  




Pumpar elektriska pumpar vertikala flerstegs MEKVS32-3

 

MEKVS32-3 - 2 Poler
Pump H1 H2

D1

Pump Vikt Motor Vikt
ME0,75KVS32-3/7  351 *    *   19 *
ME1KVS32-3/10 411 * * 21 *
ME1,5KVS32-3/15 501 * * 23 *
ME2KVS32-3/19 589 * * 24 *
ME3KVS32-3/29 769 * * 26 *
ME4KVS32-3/36 899 * * 32 *

 

Pumptyp Motoreffekt   Kapacitet
[l/min]] 0 5 10 20 40 50 60 70 75
[m3/h] 0 0,3 0,6 1,2 2,4 3 3,6 4,2 4,5
[kW] [l/s] 0   0,08  0,16   0,33   0,67   0,83  1   1,16  1,25
ME0,75KVS32-3/7 0,55 [Hm] 44 43 42 41 35 30 25 18 15
ME1KVS32-3/10 0,75 [Hm] 67 66 64 60 53 46 38 29 21
ME1,5KVS32-3/15 1,1 [Hm] 95 94 93 89 75 67 55 41 36
ME2KVS32-3/19 1,5 [Hm] 124 123 122 118 102 90 76 57 45
ME3KVS32-3/29 2,2 [Hm] 192 190 188 180 154 138 115 85 70
ME4KVS32-3/36 3 [Hm] 235 232 228 217 191 174 151 120 92

 

Kurvor fastställda för vätsketäthet 1000 kg/m³
Viskositet 1 mm²/s
Temperatur 20°C
η% - Pump effektivitet, Y Ventilförlust returnerar inte.

  • Pumpar elektriska pumpar vertikala flerstegs ME0,75KVS32-3/7 0,55kW 4,5m³/h 44m 50Hz
    Art. nr.
    ROV2467
    Pumpar elektriska pumpar vertikala flerstegs ME0,75KVS32-3/7 0,55kW 4,5m³/h 44m 50Hz
  • Pump elektriska pumpar vertikala flerstegs ME1KVS32-3/10 0,75kW 4,5m³/h 67m 50Hz
    Art. nr.
    ROV2468
    Pump elektriska pumpar vertikala flerstegs ME1KVS32-3/10 0,75kW 4,5m³/h 67m 50Hz
  • Pump elektriska pumpar vertikala flerstegs ME1,5KVS32-3/15 1,1kW 4,5m³/h 95m 50Hz
    Art. nr.
    ROV2469
    Pump elektriska pumpar vertikala flerstegs ME1,5KVS32-3/15 1,1kW 4,5m³/h 95m 50Hz
  • Pump elektriska pumpar vertikala flerstegs ME2KVS32-3/19 1,5kW 4,5m³/h 124m 50Hz
    Art. nr.
    ROV2470
    Pump elektriska pumpar vertikala flerstegs ME2KVS32-3/19 1,5kW 4,5m³/h 124m 50Hz
  • Pump elektriska pumpar vertikala flerstegs ME3KVS32-3/29 2,2kW 4,5m³/h 192m 50Hz
    Art. nr.
    ROV2471
    Pump elektriska pumpar vertikala flerstegs ME3KVS32-3/29 2,2kW 4,5m³/h 192m 50Hz
  • Pump elektriska pumpar vertikala flerstegs ME4KVS32-3/36 3kW 4,5m³/h 235m 50Hz
    Art. nr.
    ROV2472
    Pump elektriska pumpar vertikala flerstegs ME4KVS32-3/36 3kW 4,5m³/h 235m 50Hz
För mer information kontakta oss på
0431-222 90


TRÄDGÅRDSTEKNIK AB
Helsingborgsv., Varalöv
262 96 ÄNGELHOLM
Telefon:
0431-222 90
Org Nr:
556409-6120
Webbadress:
www.tradgardsteknik.se
E-post:
info@tradgardsteknik.se