https://www.tradgardsteknik.se/logotyper/bill_logo_1.png
Patric Torle
info@tradgardsteknik.se
0431-222 90
0431-222 70
Trädgårdsteknik AB tillverkar och bygger växthus, specialväxthus, orangerier, belysning Garden för hela Skandinavien.
Helsingborgsvägen 578
ÄNGELHOLM
262 96
SWEDEN

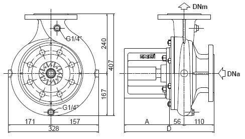
Pump flänsad pump ROVATTI FL626 102m³/h  




Pump flänsad pump ROVATTI FL626  102m³/h

CA/SB

F

 

 

länsar   Standard A
D
Vikt
CA 1 a 176 349 46
b **
c
2 a 176 349 44
b **
3 a 176 349 44
b **
c
4 a 160 333 44
b **
5 a 176 349 44
b **
c
6 a 176 349 44
b **
7 a 160 333 42
b **
SB 11 **
12 160 333 32
21 **
22 177 350 36
23 177 350 35
31 **
32 177 350 36
33 177 350 35
F 1 115 288 36
2 120 293 36

 

 ** - Inte tillgängliga versionen
 
Q Flänsad
DN D1 D2

S

D3
DNa

PN 16
80 200 160 8 19
DNm
PN 10/16*
65 185 145 4 19

 

* Beroende fungera pressar

 

Q Kapacitet
[m3/h] 0

48

66 78 90 96 102
[l/s] 0 13,3 18,3 21,7 25 26,7 28,3
[l/min] 0     800     1100     1300     1500     1600

    1700

min-1 Impeller

H

[m]

N

[kW]

H

[m]

N

[kW]

H

[m]

N

[kW]

H

[m]

N

[kW]

H

[m]

N

[kW]

H

[m]

N

[kW]

H

[m]

N

[kW]

3000 I 66 6,5 65 14 62 16,6 59 18,1 55 19,4 53 19,9 - -
L 61 5,7 59 12,5 55 14,8 52 16,1 49 17,2 46 17,5 - -
M 55 4,9 53 11,1 50 13,1 46 14,3 42 15,1 40 15,4 - -

 

Q Kapacitet
[m3/h] 0

48

66 78 90 96 102
[l/s] 0 13,3 18,3 21,7 25 26,7 28,3
[l/min] 0     800     1100     1300     1500     1600

    1700

min-1 Impeller

H

[m]

N

[kW]

H

[m]

N

[kW]

H

[m]

N

[kW]

H

[m]

N

[kW]

H

[m]

N

[kW]

H

[m]

N

[kW]

H

[m]

N

[kW]

2600 E 70 7,2 69 15,1 66 18,0 63 19,6 59 21,0 57 21,6 55 22,1
F 64 6,3 63 13,5 60 16 57 17,5 53 18,6 50 19,1 - -
G 59 5,5 57 12,2 54 14,5 51 15,8 47 16,7 45 17,1 - -
H 55 4,9 52 11 49 13 46 14,1 42 15 40 15,2 - -
I 50 4,3 48 9,8 44 11,7 41 12,6 37 13,2 - - - -
L 45 3,7 43 8,8 40 10,4 36 11,2 32 11,7 - - - -
M 41 3,2 39 7,8 35 9,2 32 9,8 27 10,1 - - - -

 

Q Kapacitet
[m3/h] 0

60

66 78 84 96 102
[l/s] 0 16,7 18,3 21,7 23,3 26,7 28,3
[l/min] 0     1000     1100     1300     1400     1600

    1700

min-1 Impeller

H

[m]

N

[kW]

H

[m]

N

[kW]

H

[m]

N

[kW]

H

[m]

N

[kW]

H

[m]

N

[kW]

H

[m]

N

[kW]

H

[m]

N

[kW]

2300 E 56 4,8 52 12,7 50 13,3 47 14,5 45 15 41 15,7 39 16
F 51 4,2 46 11,3 45 11,9 42 12,9 40 13,3 36 13,8 - -
G 47 3,7 42 10,2 41 10,7 38 11,6 36 11,9 32 12,3 - -
H 43 3,3 38 9,2 37 9,6 34 10,4 32 10,6 - - - -
I 39 2,9 35 8,2 33 8,6 30 9,2 28 9,4 - - - -
L 36 2,5 31 7,3 29 7,7 26 8,1 24 8,3 - - - -
M 32 2,2 27 6,5 26 6,8 23 7,1 21 7,2 - - - -

 

Q Kapacitet
[m3/h] 0

48

60 72 84 90 102
[l/s] 0 13,3 16,7 20 23,3 25 28,3
[l/min] 0     800     1000     1200     1400     1500

    1700

min-1 Impeller

H

[m]

N

[kW]

H

[m]

N

[kW]

H

[m]

N

[kW]

H

[m]

N

[kW]

H

[m]

N

[kW]

H

[m]

N

[kW]

H

[m]

N

[kW]

2000 E 42 3,2 40 8 37 9 35 9,8 31 10,4 29 10,5 - -
F 38 2,8 36 7,1 34 8 31 8,7 27 9,1 - - - -
G 35 2,4 33 6,4 30 7,2 27 7,8 24 8,1 - - - -
H 32 2,2 30 5,8 27 6,5 24 7 - - - - - -
I 30 1,9 27 5,2 24 5,8 22 6,2 - - - - - -
L 27 1,6 24 4,6 22 5,1 19 5,4 - - - - - -
M 25 1,4 21 4,1 19 4,5 16 4,7 - - - - - -

 

Föreställningar  3000 min-1

Q- kapacitet, H- huvud

Kurvor fastställda för vätsketäthet 1000 kg/m³
Viskositet 1 mm² /s
Temperatur 20°C
η% - Pump effektivitet
Y - Ventilförlust Returnerar ej.

Föreställningar  2600 min-1

Föreställningar  2300 min-1

Föreställningar  2000 min-1

  • Pump flänsad pump ROVATTI FL626  102m³/h
    Art. nr.
    ROV0323
    Pump flänsad pump ROVATTI FL626 102m³/h
För mer information kontakta oss på
0431-222 90


TRÄDGÅRDSTEKNIK AB
Helsingborgsv., Varalöv
262 96 ÄNGELHOLM
Telefon:
0431-222 90
Org Nr:
556409-6120
Webbadress:
www.tradgardsteknik.se
E-post:
info@tradgardsteknik.se