https://www.tradgardsteknik.se/logotyper/bill_logo_1.png
Patric Torle
info@tradgardsteknik.se
0431-222 90
0431-222 70
Trädgårdsteknik AB tillverkar och bygger växthus, specialväxthus, orangerier, belysning Garden för hela Skandinavien.
Helsingborgsvägen 578
ÄNGELHOLM
262 96
SWEDEN

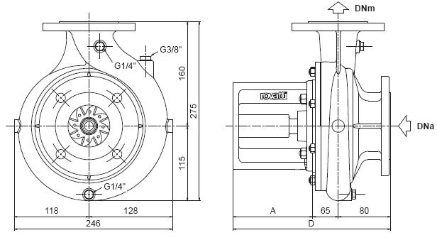
Pump flänsad pump ROVATTI FL416BN 36m³/h  




Pump flänsad pump ROVATTI FL416BN 36m³/h

 



Flänsar   Standard A
D
Vikt
CA 1 a 60 205 20
b 115 260 21
c 160 305 25
2 a 95 240 23
b 130 275 23
3 a 60 205 22
b 95 240 23
c 130 275 21
4 a 70 215 22
b 115 260 24
5 a 60 205 22
b 95 240 23
c 130 275 23
6 a 115

260

24
b 160 305 25
7 a 70 215 22
b 115 260 24
SB 11 115 260 22
12 **
21 144 289 22
22 **
23 147 292 24
31 144 289 22
32 **
33 147 292 24
F 1 **
2

  Overalll mått i mm och vikt i kg

  ** - Inte tillgängliga versionen

 
Q Flänsad
DN D1 D2

S

D3
DNa

PN 10/16*
65 185 145 4 19
DNm
PN 16/25*
40 150 110 4 19
 

* Beroende fungera pressar

 

 Q Kapacitet
[m3/h] 0

12

15 21 27 30 36
[l/s] 0 3,3 4,2 5,8 7,5 8,3 10,0
[l/min] 0     200     250     350     450     500

    600

min-1 Impeller

H

[m]

N

[kW]

H

[m]

N

[kW]

H

[m]

N

[kW]

H

[m]

N

[kW]

H

[m]

N

[kW]

H

[m]

N

[kW]

H

[m]

N

[kW]

 3600 E 54 2,4 54 4,3 54 4,7 52 5,5 49 6,2 46 6,6 39 7,2
F 51 2,2 51 3,9 51 4,3 49 5,1 45 5,8 43 6,1 - -

 

Q Kapacitet
[m3/h] 0

12

15 21 27 30 36
[l/s] 0 3,3 4,2 5,8 7,5 8,3 10,0
[l/min] 0     200     250     350     450     500

    600

min-1 Impeller

H

[m]

N

[kW]

H

[m]

N

[kW]

H

[m]

N

[kW]

H

[m]

N

[kW]

H

[m]

N

[kW]

H

[m]

N

[kW]

H

[m]

N

[kW]

 3300 E 46 1,9 45 3,4 45 3,8 43 4,4 39 5 36 5,3 - -
F 43 1,7 43 3,2 42 3,5 40 4,1 36 4,7 33 4,9 - -

 

Q Kapacitet
[m3/h] 0

12

15 21 27 30 36
[l/s] 0 3,3 4,2 5,8 7,5 8,3 10,0
[l/min] 0     200     250     350     450     500

    600

min-1 Impeller

H

[m]

N

[kW]

H

[m]

N

[kW]

H

[m]

N

[kW]

H

[m]

N

[kW]

H

[m]

N

[kW]

H

[m]

N

[kW]

H

[m]

N

[kW]

 3000 E 38 1,4 38 2,6 37 2,9 35 3,4 32 3,9 29 4,1 - -
F 36 1,3 36 2,4 35 2,7 33 3,2 29 3,6 27 3,8 - -

 

Q Kapacitet
[m3/h] 0

12

15 21 27 30 36
[l/s] 0 3,3 4,2 5,8 7,5 8,3 10,0
[l/min] 0     200     250     350     450     500

    600

min-1 Impeller

H

[m]

N

[kW]

H

[m]

N

[kW]

H

[m]

N

[kW]

H

[m]

N

[kW]

H

[m]

N

[kW]

H

[m]

N

[kW]

H

[m]

N

[kW]

 2600 E 28 0,9 28 1,8 28 2,1 25 2,4 21 2,7 19 2,9 - -

F

27 0,8 27 1,7 26 1,9 23 2,2 19 2,5 17 2,6 - -

 


Föreställningar
  3600 min-1

 

Q- kapacitet, H- huvud

Kurvor fastställda för vätsketäthet 1000 kg/m³
Viskositet 1 mm² /s
Temperatur 20°C
η% - Pump effektivitet
Y - Ventilförlust Returnerar ej.

Föreställningar  3300 min-1


Föreställningar  3000 min-1


Föreställningar  2600 min-1

  • Pump flänsad pump ROVATTI FL416BN 36m³/h
    Art. nr.
    ROV0305
    Pump flänsad pump ROVATTI FL416BN 36m³/h
För mer information kontakta oss på
0431-222 90


TRÄDGÅRDSTEKNIK AB
Helsingborgsv., Varalöv
262 96 ÄNGELHOLM
Telefon:
0431-222 90
Org Nr:
556409-6120
Webbadress:
www.tradgardsteknik.se
E-post:
info@tradgardsteknik.se