https://www.tradgardsteknik.se/logotyper/bill_logo_1.png
Patric Torle
info@tradgardsteknik.se
0431-222 90
0431-222 70
Trädgårdsteknik AB tillverkar och bygger växthus, specialväxthus, orangerier, belysning Garden för hela Skandinavien.
Helsingborgsvägen 578
ÄNGELHOLM
262 96
SWEDEN

Dränkbar tryckstegringspump Grundfos SBA 3-35 MW, 0,8kW 2,75 l/s 25,03m 1x230V 50Hz  




Dränkbar tryckstegringspump Grundfos SBA 3-35 MW, 0,8kW 2,75 l/s 25,03m 1x230V 50Hz
      • SBA är ett komplett allt-i-ett dränkbar tryckstegringspump för pumpning av rent vatten, är det särskilt lämplig för regnvatten ansökan och små privata brunnar.
      • SBA kommer med en styrenhet integrera, eliminerar behovet av en extern pump-handkontroll.
      • Med SBA är det bokstavligen en fråga om "plug och pump". En gång installerat och anslutet till rörsystemet; allt du behöver göra är att byta pumpen. Resultatet är en pålitlig lösning och kraftigt minskat installationskostnader.
      • Pumpen finns i två huvudsakliga versioner:
      • Med integrerad sugfilter (1 mm maska)
      • Eller med sida inlopp/flexibel sugslang med flytande sugfilter (1 mm maska).
      • Båda varianterna finns med eller utan flottör, flottörbrytaren erbjuder stopp vid låg vattennivå att säkerställa att ytan fragment inte in silen
               *-Bilden på produkten kan avvika från aktuell produkt.



        Vätska
        Pump Vätska Vatten
        Vätsketemperatur område 0 till 40°C
        Vätsketemp 20°C
        Densitet 998,2 kg/m³
        pH-värdesområde 4-9

        Teknisk data
        Resulterande flöde 2,75 l/s
        Resulterande lyfthöjd för pumpen 25,03 m
        Nom. pumphjul 102 mm
        Typ av hjul STÄNGD
        Pumphjul 3
        Max. partikelstorlek 1 mm
        Approvals and markings 1
        Kurvtolerans ISO9906:2012 3B
        Starttryck Automatisk

        Material
        Pumphus PP30GF
        Pumphjul PPO20GF


        Installation
        Max. omgivningstemperatur 50°C
        Trycksida G 1"
        Max. installationsdjup 10 m
        Type of suction FLYTANDE SIL

        Elektriskdata
        C kör 13 μF
        P2 0,8 kW
        Nätfrekvens 50 Hz
        Märkspänning

        1x220-240 V

        Nominell ström 3,8A
        Startström 12A
        Effektfaktor 0,94
        Varvtal 2800 Varvtal
        Kondensatorstorlek - kör 13 μF/450 V
        Kapslingsklass (EC 34-5) IP68
        Isolationsklass (EC 85) F
        Motorskydd JA
        Kabellängd 15 m
        Kabeltyp H07RN-F 3G1
        Typ av skarvkoppling SCHUKO

        Styrningar
        Flödesbrytare N

        Övriga
         Nettovikt 11,7 kg
        Bruttovikt 13,2 kg
        Leveransvolym 0,05 m³


         Prestanda kurvor

        Notera

        * Detta är nominella driftpunkten.

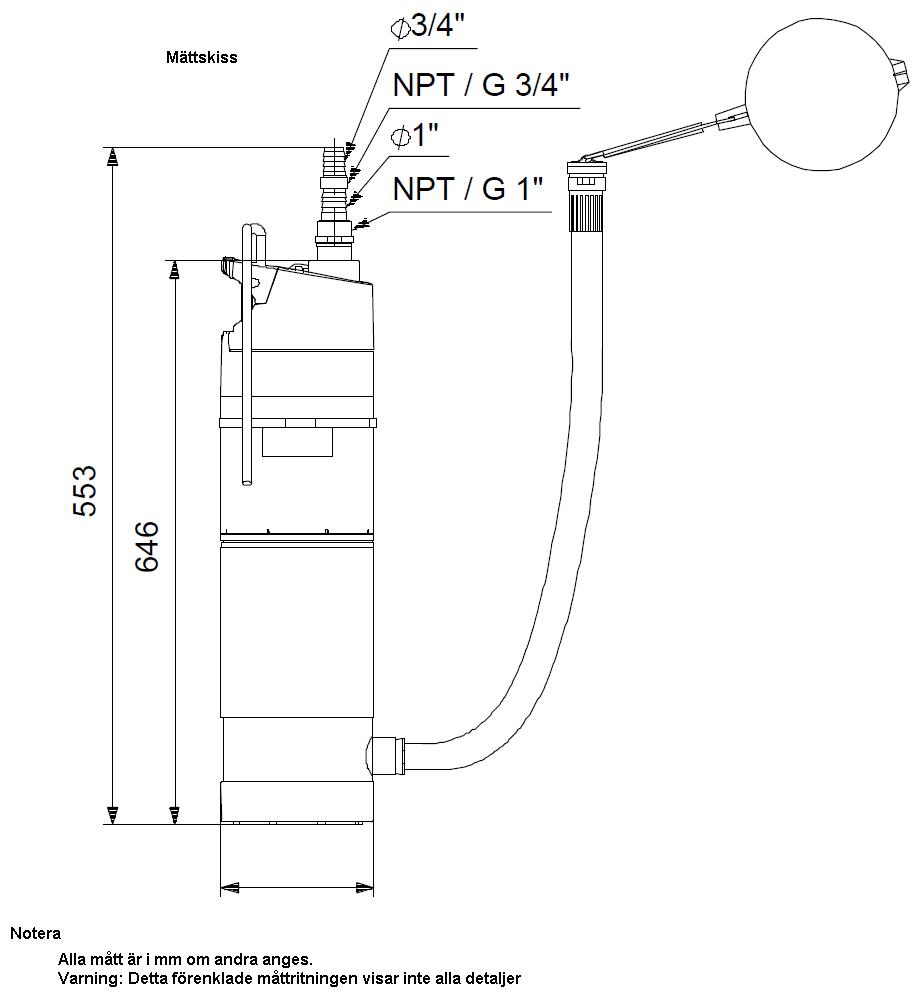
        » Ritning med mått beskrivning

        • Dränkbar tryckstegringspump Grundfos SBA 3-35 MW, 0,8kW 2,75 l/s 25,03m 1x230V 50Hz
          Art. nr.
          GRU97896287
          Dränkbar tryckstegringspump Grundfos SBA 3-35 MW, 0,8kW 2,75 l/s 25,03m 1x230V 50Hz
        För mer information kontakta oss på
        0431-222 90


        TRÄDGÅRDSTEKNIK AB
        Helsingborgsv., Varalöv
        262 96 ÄNGELHOLM
        Telefon:
        0431-222 90
        Org Nr:
        556409-6120
        Webbadress:
        www.tradgardsteknik.se
        E-post:
        info@tradgardsteknik.se