https://www.tradgardsteknik.se/logotyper/bill_logo_1.png
Patric Torle
info@tradgardsteknik.se
0431-222 90
0431-222 70
Trädgårdsteknik AB tillverkar och bygger växthus, specialväxthus, orangerier, belysning Garden för hela Skandinavien.
Helsingborgsvägen 578
ÄNGELHOLM
262 96
SWEDEN

Cirkulationspump Grundfos TPED 80-150/4, 3kW 48,2m³/h 12,7m 3x400V 50Hz  




Cirkulationspump Grundfos TPED 80-150/4,  3kW  48,2m³/h  12,7m 3x400V 50Hz

    • Enstegs, direktkopplad, dubbelpump med inlopps-och utloppsportar i linje med samma diametrar.
    • Dubbelpumpen är konstruerad med två parallella drivsidor.
    • Pumparna är konstruerade för att kunna lyftas uppåt ur sin installation (”top-pull-out”), dvs. att pumpöverdelen (motor, pumpöverdel och pumphjul) kan lyftas ut för underhåll eller service, medan pumphuset sitter kvar i rörkonstruktionen.
    • Varje pump är försedd med en obalanserad gummibälgstätning.
    • Axeltätningen uppfyller EN 12756.
    • Röranslutningen sker med PN 16 DIN-flänsar (EN 1092-2 och ISO 7005-2).
    • Varje pump är försedd med en fläktkyld asynkronmotor av motsvarande storlek.
    • Motorn har en frekvensomformare och en PI-styrenhet i motorns kopplingsbox.
    • Detta möjliggör kontinuerlig reglering av motorvarvtalet, vilket gör att man kan anpassa pumpens prestanda efter ett givet behov.
    • Pumpen är försedd med en differenstryckssensor
    *-Bilden på produkten kan avvika från aktuell produkt.


    Vätska
    Vätska Vatten
    Vätsketemperatur område 0 till 120°C
    Vätsketemp 20°C
    Densitet 998,2 kg/m³

    Teknisk data
    Hastighets

    1455 rpm

    Resulterande flöde 48,2 m³/h
     Resulterande lyfthöjd för pumpen 12,7 m
    Max. tryck 150 dm
    Kod för axeltätning. 1: Typ 2. Rot.
    tätningsdel 3: Stat. plats 4: Sek. tätning:
    BAQE
    Kurvtolerans ISO9906:2012 3B
    Pumpversion A
    Modell A

    Material
    Pumphus  Gjutjärn EN-JL 1040
    ASTM A48-40B
    Pumphjul Gjutjärn
    EN-JL1030
    ASTM A48-30 B
    Materialkod A

    Installation
     Max. omgivningstemperatur 40°C
    Max. driftstryck 16 bar
    Max. tryck vid angiven temp 16 bar /
    120 °C
    Flänsstandard DIN
    Anslutningskod F
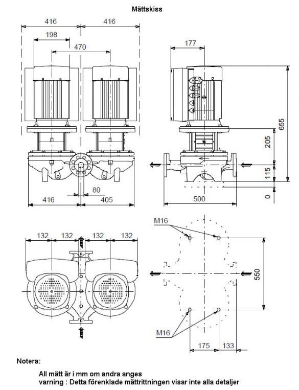
    Röranslutning DN 80
    Trycksteg PN 16
    Inbyggnadslängd 500 mm
    Motorflänsstorlek FF215

    Elektriskdata
    Motortyp 100LC
    IE Efficiency class IE3
    Effektförbrukning  P2 2 x 3 kW
    Antal Poler 4
    Nätfrekvens 50 Hz
    Märkspänning 3 x 380-480 V
    Nominell ström 6,20-5,00 A
    Cos phi - verkningsgrad 0,94-0,91
    Varvtal 180-1740 rpm
    Kapslingsklass (EC 34-5) IP55
    Efficiency IE3 87,7%
    Isolationsklass (EC 85) F
    Motorskydd INGEN
    Motornr 86906280

    Övriga
    Minsta effektivitetsindex, MEI ≥ 0,70
    Nettovikt 208 kg
    Bruttovikt 232 kg
    Leveransvolym 0,64 m3


     Prestanda kurvor

    » Ritning med mått beskrivning

    • Cirkulationspump Grundfos TPED 80-150/4,  3kW  48,2m³/h  12,7m 3x400V 50Hz
      Art. nr.
      GRU96275946
      Cirkulationspump Grundfos TPED 80-150/4, 3kW 48,2m³/h 12,7m 3x400V 50Hz
    För mer information kontakta oss på
    0431-222 90


    TRÄDGÅRDSTEKNIK AB
    Helsingborgsv., Varalöv
    262 96 ÄNGELHOLM
    Telefon:
    0431-222 90
    Org Nr:
    556409-6120
    Webbadress:
    www.tradgardsteknik.se
    E-post:
    info@tradgardsteknik.se