Cirkulationspump Grundfos TPE 65-30/4, 0,25kW 21,3m³/h 2m 1x230V 50Hz
- Enstegs, direktkopplad pump med inlopps-och utloppsportar i linje med samma diameter.
- Pumparna är konstruerade för att kunna lyftas uppåt ur sin installation (”top-pull-out”), dvs. att pumpöverdelen (motor, pumpöverdel och pumphjul) kan lyftas ut för underhåll eller service, medan pumphuset sitter kvar i rörkonstruktionen.
- Pumpen är försedd med en obalanserad gummibälgstätning.
- Axeltätningen uppfyller EN 12756.
- Röranslutningen sker med PN 6/10 DIN-flänsar (EN 1092-2 och ISO 7005-2).
- Pumpen är försedd med en fläktkyld, synkron permanentmotor. Pumpen är försedd med en differenstryckssensor
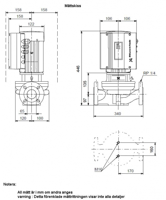
*-Bilden på produkten kan avvika från aktuell produkt.
| Vätska |
| Vätska |
Vatten |
| Vätsketemperatur område |
0 till 140°C |
| Vätsketemp |
20°C |
| Densitet |
998,2 kg/m³ |
| Teknisk data |
| Hastighets |
1450 rpm
|
| Resulterande flöde |
21,3 m³/h |
| Resulterande lyfthöjd för pumpen |
2 m |
| Max. tryck |
30 dm |
Kod för axeltätning. 1: Typ 2. Rot. tätningsdel 3: Stat. plats 4: Sek. tätning: |
BUBE |
| Kurvtolerans |
ISO9906:2012 3B |
| Pumpversion |
A |
| Modell |
A |
| Material |
| Pumphus |
Gjutjärn EN-JL 1040 ASTM A48-40B |
| Pumphjul |
Rostfritt stål DIN W.-Nr. 1,4301 AISI 304 |
| Materialkod |
A |
| Installation |
| Max. omgivningstemperatur |
50°C |
| Max. driftstryck |
10 bar |
| Flänsstandard |
DIN |
| Anslutningskod |
F |
| Röranslutning |
DN 65 |
| Trycksteg |
PN 6/10 |
| Inbyggnadslängd |
340 mm |
| Motorflänsstorlek |
FT85 |
| Elektriskdata |
| Motortyp |
71A |
| IE Efficiency class |
NA |
| Effektförbrukning P2 |
0,25 kW |
| Nätfrekvens |
50 Hz |
| Märkspänning |
1 x 200-240 V |
| Nominell ström |
1,65-1,40 A |
| Cos phi - verkningsgrad |
0,95 |
| Varvtal |
180-2000 rpm |
| Kapslingsklass (EC 34-5) |
IP55 |
| Efficiency |
IE3 83,4% |
| Isolationsklass (EC 85) |
F |
| Motorskydd |
JA |
| Motornr |
98362323 |
| Övriga |
| Märka |
Grundfos Blueflux |
| Minsta effektivitetsindex, MEI ≥ |
0,70 |
| Nettovikt |
37,4 kg |
| Bruttovikt |
43,3 kg |
| Leveransvolym |
0,16 m3 |
Prestanda kurvor

» Ritning med mått beskrivning