https://www.tradgardsteknik.se/logotyper/bill_logo_1.png
Patric Torle
info@tradgardsteknik.se
0431-222 90
0431-222 70
Trädgårdsteknik AB tillverkar och bygger växthus, specialväxthus, orangerier, belysning Garden för hela Skandinavien.
Helsingborgsvägen 578
ÄNGELHOLM
262 96
SWEDEN

Cirkulationspump Grundfos TPE 50-190/4, 2,2kW 26,5m³/h 15,9m 3x400V 50Hz  




Cirkulationspump Grundfos TPE 50-190/4,  2,2kW  26,5m³/h  15,9m 3x400V 50Hz

  • Enstegs, direktkopplad pump med inlopps-och utloppsportar i linje med samma diameter.
  • Pumparna är konstruerade för att kunna lyftas uppåt ur sin installation (”top-pull-out”), dvs. att pumpöverdelen (motor, pumpöverdel och pumphjul) kan lyftas ut för underhåll eller service, medan pumphuset sitter kvar i rörkonstruktionen.
  • Pumpen är försedd med en obalanserad gummibälgstätning.
  • Axeltätningen uppfyller EN 12756.
  • Röranslutningen sker med PN 16 DIN-flänsar (EN 1092-2 och ISO 7005-2).
  • Pumpen är försedd med en fläktkyld asynkronmotor.
  • Motorn har en frekvensomformare och en PI-styrenhet i motorns kopplingsbox.
  • Detta möjliggör kontinuerlig reglering av motorvarvtalet, vilket gör att man kan anpassa pumpens prestanda efter ett givet behov.
      *-Bilden på produkten kan avvika från aktuell produkt.


Vätska
Vätska Vatten
Vätsketemperatur område 0 till 120°C
Vätsketemp 20°C
Densitet 998,2 kg/m³

Teknisk data
Hastighets

1450 rpm

Resulterande flöde 26,5 m³/h
 Resulterande lyfthöjd för pumpen 15,9 m
Max. tryck 190 dm
Faktisk pumphjulsdiameter 240 mm
Kod för axeltätning. 1: Typ 2. Rot.
tätningsdel 3: Stat. plats 4: Sek. tätning:
BAQE
Kurvtolerans ISO9906:2012 3B
Pumpversion A
Modell A

Material
Pumphus  Gjutjärn EN-JL 1040
ASTM A48-40B
Pumphjul Gjutjärn
EN-JL1030
ASTM A48-30 B
Materialkod A

Installation
 Max. omgivningstemperatur 40°C
Max. driftstryck 16 bar
Flänsstandard DIN
Anslutningskod F
Röranslutning DN 50
Trycksteg PN 16
Inbyggnadslängd 440 mm
Motorflänsstorlek FF215

Elektriskdata
Motortyp 100LB
IE Efficiency class IE3
Effektförbrukning  P2 2,2 kW
Antal Poler 4
Nätfrekvens 50 Hz
Märkspänning

3 x 380-480 V

Nominell ström 4,90-3,80 A
Cos phi - verkningsgrad 0,83-0,71
Varvtal 180-1740 rpm
Kapslingsklass (EC 34-5) IP55
Efficiency  IE3 86,7%
Isolationsklass (EC 85) F
Motorskydd INGEN
Motornr 86906130

Övriga
Minsta effektivitetsindex, MEI ≥ 0,70
Nettovikt 90 kg
Bruttovikt 104 kg
Leveransvolym 0,39 m3


 Prestanda kurvor

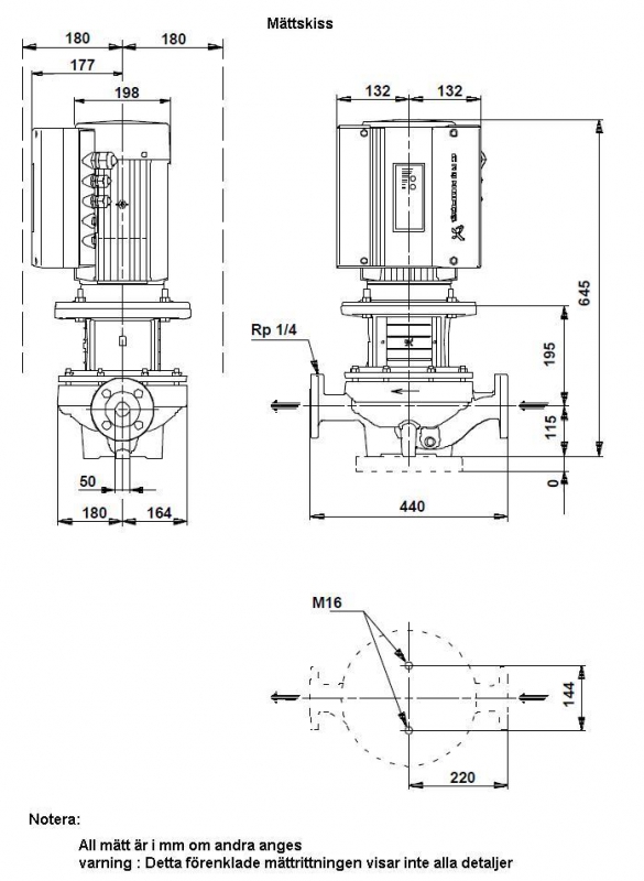
» Ritning med mått beskrivning

  • Cirkulationspump Grundfos TPE 50-190/4,  2,2kW  26,5m³/h  15,9m 3x400V 50Hz
    Art. nr.
    GRU96096535
    Cirkulationspump Grundfos TPE 50-190/4, 2,2kW 26,5m³/h 15,9m 3x400V 50Hz
För mer information kontakta oss på
0431-222 90


TRÄDGÅRDSTEKNIK AB
Helsingborgsv., Varalöv
262 96 ÄNGELHOLM
Telefon:
0431-222 90
Org Nr:
556409-6120
Webbadress:
www.tradgardsteknik.se
E-post:
info@tradgardsteknik.se