Cirkulationspump Grundfos TPE 32-80/4, 0,25kW 8,65m³/h 5,87m 3x400V 50Hz
- Enstegs, direktkopplad pump med inlopps-och utloppsportar i linje med samma diameter. Pumparna är
- konstruerade för att kunna lyftas uppåt ur sin installation (”top-pull-out”), dvs. att pumpöverdelen (motor, pumpöverdel och pumphjul) kan lyftas ut för underhåll eller service, medan pumphuset sitter kvar i rörkonstruktionen.
- Pumpen är försedd med en obalanserad gummibälgstätning. Axeltätningen uppfyller EN 12756.
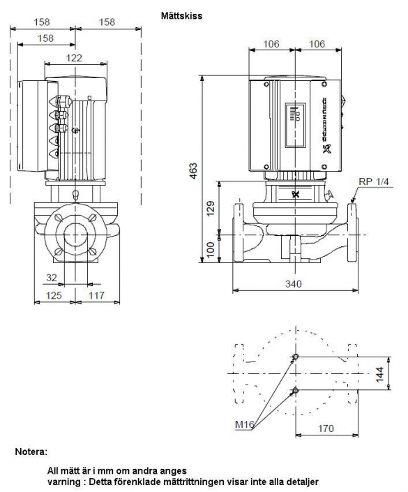
- Röranslutningen sker med PN 16 DIN-flänsar (EN 1092-2 och ISO 7005-2).
- Pumpen är försedd med en fläktkyld, synkron permanentmotor. Pumpen är försedd med en differenstryckssensor
*-Bilden på produkten kan avvika från aktuell produkt.
| Vätska |
| Vätska |
Vatten |
| Vätsketemperatur område |
0 till 120°C |
| Vätsketemp |
20°C |
| Densitet |
998,2 kg/m³ |
| Teknisk data |
| Hastighets |
1410 rpm
|
| Resulterande flöde |
8,65 m³/h |
| Resulterande lyfthöjd för pumpen |
5,87 m |
| Max. tryck |
80 dm |
Kod för axeltätning. 1: Typ 2. Rot. tätningsdel 3: Stat. plats 4: Sek. tätning: |
BAQE |
| Kurvtolerans |
ISO9906:2012 3B |
| Pumpversion |
A |
| Modell |
A |
| Material |
| Pumphus |
Gjutjärn EN-JL 1040 ASTM A48-40B |
| Pumphjul |
Gjutjärn EN-JL1030 ASTM A48-30 B |
| Materialkod |
A |
| Installation |
| Max. omgivningstemperatur |
50°C |
| Max. driftstryck |
16 bar |
| Flänsstandard |
DIN |
| Anslutningskod |
F |
| Röranslutning |
DN 32 |
| Trycksteg |
PN 16 |
| Inbyggnadslängd |
340 mm |
| Motorflänsstorlek |
FF130 |
| Elektriskdata |
| Motortyp |
71A |
| IE Efficiency class |
NA |
| Effektförbrukning P2 |
0,25 kW |
| Nätfrekvens |
50 Hz |
| Märkspänning |
1 x 200-240 V
|
| Nominell ström |
1,65-1,40 A |
| Cos phi - verkningsgrad |
0,95 |
| Varvtal |
180-2000 rpm |
| Kapslingsklass (EC 34-5) |
55 Dust/Jetting |
| Efficiency |
IE3 83,4% |
| Isolationsklass (EC 85) |
F |
| Motorskydd |
JA |
| Motornr |
98362322 |
| Övriga |
| Märka |
Grundfos Blueflux |
| Minsta effektivitetsindex, MEI ≥ |
0,70 |
| Nettovikt |
40 kg |
| Bruttovikt |
49 kg |
| Leveransvolym |
0,13 m3 |
Prestanda kurvor

» Ritning med mått beskrivning