Cirkulationspump Grundfos TPD 40-120/2, 0,37kW 11,4m³/h 7,367m 3x400V 50Hz
- Enstegs, direktkopplad, dubbelpump med inlopps-och utloppsportar i linje med samma diametrar.
- Dubbelpumpen är konstruerad med två parallella drivsidor.
- Pumparna är konstruerade för att kunna lyftas uppåt ur sin installation (”top-pull-out”), dvs. att pumpöverdelen (motor, pumpöverdel och pumphjul) kan lyftas ut för underhåll eller service, medan pumphuset sitter kvar i rörkonstruktionen.
- Varje pump är försedd med en obalanserad gummibälgstätning. Axeltätningen uppfyller EN 12756.
- Röranslutningen sker med PN 6/10 DIN-flänsar (EN 1092-2 och ISO 7005-2).
- Varje pump är försedd med en fläktkyld asynkronmotor av motsvarande storlek.
Ytterligare produktinformation
MEI=0,70 | MEI>0,70
*-Bilden på produkten kan avvika från aktuell produkt.
| Vätska |
| Vätska |
Vatten |
| Vätsketemperatur område |
0 till 140°C |
| Vätsketemp |
20°C |
| Densitet |
998,2 kg/m³ |
| Teknisk data |
| Hastighets |
2850 rpm
|
| Resulterande flöde |
11,4 m³/h |
| Resulterande lyfthöjd för pumpen |
7,367 m |
| Max. tryck |
120 dm |
| Faktisk pumphjulsdiameter |
86 mm |
Kod för axeltätning. 1: Typ 2. Rot. tätningsdel 3: Stat. plats 4: Sek. tätning: |
BUBE |
| Kurvtolerans |
ISO9906:2012 3B |
| Pumpversion |
A |
| Modell |
A |
| Material |
| Pumphus |
Gjutjärn EN-JL 1040 ASTM A48-40B |
| Pumphjul |
Rostfritt stål DIN W.-Nr. 1,4301 AISI 304 |
| Materialkod |
A |
| Installation |
| Max. omgivningstemperatur |
40°C |
| Max. driftstryck |
10 bar |
| Flänsstandard |
DIN |
| Anslutningskod |
F |
| Röranslutning |
DN 40 |
| Sugsida |
DN 40 |
| Trycksida |
DN 40 |
| Trycksteg |
PN 6/10 |
| Inbyggnadslängd |
250 mm |
| Motorflänsstorlek |
FT85 |
| Elektriskdata |
| Motortyp |
71A |
| IE Efficiency class |
IE3 |
| Effektförbrukning P2 |
0,37 kW |
| Antal Poler |
2 |
| Nätfrekvens |
50 Hz |
| Märkspänning |
3 x 220-240 D/380-415 Y V
|
| Nominell ström |
1,74/1,00 A |
| Startström |
490-530 % |
| Cos phi - verkningsgrad |
0,80-0,70 |
| Varvtal |
2850-2880 rpm |
| Kapslingsklass (EC 34-5) |
55 Dust/Jetting |
| Efficiency |
IE3 73,8% |
| Isolationsklass (EC 85) |
F |
| Motorskydd |
INGEN |
| Motornr |
85805102 |
| Övriga |
| Minsta effektivitetsindex, MEI ≥ |
0,70 |
| Nettovikt |
40,6 kg |
| Bruttovikt |
46,6 kg |
| Leveransvolym |
0,08 m3 |
Prestanda kurvor

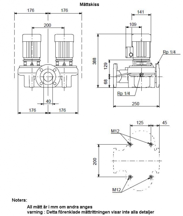
» Ritning med mått beskrivning
» Kopplings schema