Cirkulationspump Grundfos TP 150-450/4, 45kW 290m³/h 41m 3x400V 50Hz
- Enstegs, direktkopplad pump med inlopps-och utloppsportar i linje med samma diameter.
- Pumparna är konstruerade för att kunna lyftas uppåt ur sin installation (”top-pull-out”), dvs. att pumpöverdelen (motor, pumpöverdel och pumphjul) kan lyftas ut för underhåll eller service, medan pumphuset sitter kvar i rörkonstruktionen.
- Pumpen är försedd med en obalanserad gummibälgstätning. Axeltätningen uppfyller EN 12756.
- Röranslutningen sker med PN 16 DIN-flänsar (EN 1092-2 och ISO 7005-2).
- Pumpen är försedd med en fläktkyld asynkronmotor.
Ytterligare produktinformation
MEI=0,70 | MEI>0,70
*-Bilden på produkten kan avvika från aktuell produkt.
| Vätska |
| Vätska |
Vatten |
| Vätsketemperatur område |
0 till 120°C |
| Vätsketemp |
20°C |
| Densitet |
998,2 kg/m³ |
| Teknisk data |
| Hastighets |
1480 rpm
|
| Resulterande flöde |
290 m³/h |
| Nominrellt tryck |
41 m |
| Lyfthöjd max |
450 dm |
| Faktisk pumphjulsdiameter |
358 mm |
Kod för axeltätning. 1: Typ 2. Rot. tätningsdel 3: Stat. plats 4: Sek. tätning: |
BAQE |
| Kurvtolerans |
ISO9906:2012 3B |
| Pumpversion |
A |
| Modell |
A |
| Material |
| Pumphus |
Gjutjärn EN-GJL-250 class 35 |
| Pumphjul |
Gjutjärn EN-GJL-200 class 30 |
| Materialkod |
A |
| Installation |
| Max. omgivningstemperatur |
-20 till 55°C |
| Max. driftstryck |
16 bar |
| Flänsstandard |
DIN |
| Anslutningskod |
F |
| Röranslutning |
DN 150 |
| Sugsida |
DN 150 |
| Trycksida |
DN 150 |
| Trycksteg |
PN 16 |
| Inbyggnadslängd |
1000 mm |
| Motorflänsstorlek |
FF400 |
| Elektriskdata |
| Motortyp |
SIEMENS |
| IE Efficiency class |
IE3 |
| Effektförbrukning P2 |
45 kW |
| Antal Poler |
4 |
| Nätfrekvens |
50 Hz |
| Märkspänning |
3 x 380-420D/ 660-725Y V
|
| Nominell ström |
80/46.5 A |
| Startström |
660-660 % |
| Cos phi - verkningsgrad |
0,86 |
| Varvtal |
1478 rpm |
| Kapslingsklass (EC 34-5) |
55 (Protect. Vattenstrålar / damm) |
| Efficiency |
IE3 94,2% |
Motorns verkningsgrad vid full belastning |
94.2-94.2 % |
| Motorverkningsgrad vid 3/4 last |
94.9-94.9 % |
| Motorverkningsgrad vid 1/2 last |
95-95% |
| Isolationsklass (EC 85) |
F |
| Motorskydd |
PTC |
| Motornr |
99032125 |
| Övriga |
| Minsta effektivitetsindex, MEI ≥ |
0,70 |
| Nettovikt |
661 kg |
| Bruttovikt |
706 kg |
| Leveransvolym |
1,64 m3 |
Prestanda kurvor

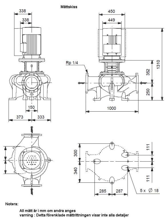
» Ritning med mått beskrivning
» Kopplings schema