https://www.tradgardsteknik.se/logotyper/bill_logo_1.png
Patric Torle
info@tradgardsteknik.se
0431-222 90
0431-222 70
Trädgårdsteknik AB tillverkar och bygger växthus, specialväxthus, orangerier, belysning Garden för hela Skandinavien.
Helsingborgsvägen 578
ÄNGELHOLM
262 96
SWEDEN

Cirkulationspump Grundfos TP 125-210/4, 11kW 128m³/h 19,19m 3x400V 50Hz  




Cirkulationspump Grundfos TP 125-210/4,  11kW  128m³/h 19,19m 3x400V 50Hz

  • Enstegs, direktkopplad pump med inlopps-och utloppsportar i linje med samma diameter.
  • Pumparna är konstruerade för att kunna lyftas uppåt ur sin installation (”top-pull-out”), dvs. att pumpöverdelen (motor, pumpöverdel och pumphjul) kan lyftas ut för underhåll eller service, medan pumphuset sitter kvar i rörkonstruktionen.
  • Pumpen är försedd med en obalanserad gummibälgstätning.
  • Axeltätningen uppfyller EN 12756.
  • Röranslutningen sker med PN 16 DIN-flänsar (EN 1092-2 och ISO 7005-2).
  • Pumpen är försedd med en fläktkyld asynkronmotor.
Ytterligare produktinformation
  • Produkten bär märkningen Grundfos Blueflux®.
  • Den representerar det bästa från Grundfos i fråga om energieffektiva motorer och frekvensomformare.
  • Grundfos Blueflux®-lösningar uppfyller eller överträffar lagstiftningens krav, såsom EuP klass IE3 eller IE4.

     *-Bilden på produkten kan avvika från aktuell produkt.


Vätska
Vätska Vatten
Vätsketemperatur område 0 till 120°C
Vätsketemp 20°C
Densitet 998,2 kg/m³

Teknisk data
Hastighets

1460 rpm

Resulterande flöde 128 m³/h
 Resulterande lyfthöjd för pumpen 19,19 m
Max. tryck 210 dm
Faktisk pumphjulsdiameter 254 mm
Kod för axeltätning. 1: Typ 2. Rot.
tätningsdel 3: Stat. plats 4: Sek. tätning:
BAQE
Kurvtolerans ISO9906:2012 3B
Pumpversion A
Modell A

Material
Pumphus  Gjutjärn EN-JL 1040
ASTM A48-40B
Pumphjul Gjutjärn
EN-JL1030
ASTM A48-30 B
Materialkod A

Installation
 Max. omgivningstemperatur 60°C
Max. driftstryck 16 bar
Flänsstandard DIN
Anslutningskod F
Röranslutning DN 125
Sugsida DN 125
Trycksida DN 125
Trycksteg PN 16
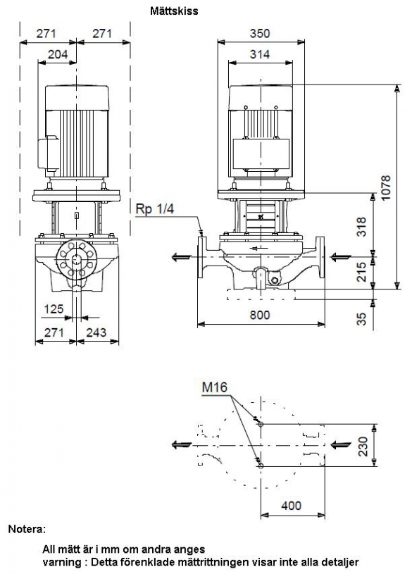
Inbyggnadslängd 800 mm
Motorflänsstorlek FF300

Elektriskdata
Motortyp 160MA
IE Efficiency class IE3
Effektförbrukning  P2 11 kW
Antal Poler 4
Nätfrekvens 50 Hz
Märkspänning

3 x 380-415 D/660-690 Y V

Nominell ström 21,2-20,4/
12,2-12,0 A
Startström 710-810 %
Cos phi - verkningsgrad 0,86-0,81
Varvtal 1470-1475 rpm
Kapslingsklass (EC 34-5) 55 Dust/Jetting
Efficiency IE3 91,4%
Motorns verkningsgrad vid full
belastning
91,4%
Motorverkningsgrad vid 3/4 last 92,1%
Motorverkningsgrad vid 1/2 last 91,6%
Isolationsklass (EC 85) F
Motorskydd PTC
Motornr 87420031

Övriga
Märka Grundfos Blueflux
Minsta effektivitetsindex, MEI ≥ 0,12
Nettovikt 298 kg
Bruttovikt 329 kg
Leveransvolym 1,12 m3


 Prestanda kurvor

» Ritning med mått beskrivning

» Kopplings schema

  • Cirkulationspump Grundfos TP 125-210/4,  11kW  128m³/h 19,19m 3x400V 50Hz
    Art. nr.
    GRU96109526
    Cirkulationspump Grundfos TP 125-210/4, 11kW 128m³/h 19,19m 3x400V 50Hz
För mer information kontakta oss på
0431-222 90


TRÄDGÅRDSTEKNIK AB
Helsingborgsv., Varalöv
262 96 ÄNGELHOLM
Telefon:
0431-222 90
Org Nr:
556409-6120
Webbadress:
www.tradgardsteknik.se
E-post:
info@tradgardsteknik.se