https://www.tradgardsteknik.se/logotyper/bill_logo_1.png
Patric Torle
info@tradgardsteknik.se
0431-222 90
0431-222 70
Trädgårdsteknik AB tillverkar och bygger växthus, specialväxthus, orangerier, belysning Garden för hela Skandinavien.
Helsingborgsvägen 578
ÄNGELHOLM
262 96
SWEDEN

Cirkulationspump Grundfos TP 125-100/4, 4kW 131m³/h 8,151m 3x400V 50Hz  




Cirkulationspump Grundfos TP 125-100/4,  4kW  131m³/h  8,151m 3x400V 50Hz

    • Enstegs, direktkopplad pump med inlopps-och utloppsportar i linje med samma diameter.
    •  Pumparna är konstruerade för att kunna lyftas uppåt ur sin installation (”top-pull-out”), dvs. att pumpöverdelen (motor, pumpöverdel och pumphjul) kan lyftas ut för underhåll eller service, medan pumphuset sitter kvar i rörkonstruktionen.
    • Pumpen är försedd med en obalanserad gummibälgstätning.
    • Axeltätningen uppfyller EN 12756.
    • Röranslutningen sker med PN 16 DIN-flänsar (EN 1092-2 och ISO 7005-2).
    • Pumpen är försedd med en fläktkyld asynkronmotor.
    Ytterligare produktinformation
    • Produkten bär märkningen Grundfos Blueflux®.
    • Den representerar det bästa från Grundfos i fråga om energieffektiva motorer och frekvensomformare.
    • Grundfos Blueflux®-lösningar uppfyller eller överträffar lagstiftningens krav, såsom EuP klass IE3 eller IE4.
         *-Bilden på produkten kan avvika från aktuell produkt.


    Vätska
    Vätska Vatten
    Vätsketemperatur område 0 till 120°C
    Vätsketemp 20°C
    Densitet 998,2 kg/m³

    Teknisk data
    Hastighets

    1450 rpm

    Resulterande flöde 131 m³/h
     Resulterande lyfthöjd för pumpen 8,151 m
    Max. tryck 100 dm
    Faktisk pumphjulsdiameter 176 mm
    Kod för axeltätning. 1: Typ 2. Rot.
    tätningsdel 3: Stat. plats 4: Sek. tätning:
    BAQE
    Kurvtolerans ISO9906:2012 3B
    Pumpversion A
    Modell A

    Material
    Pumphus  Gjutjärn EN-JL 1040
    ASTM A48-40B
    Pumphjul Gjutjärn
    EN-JL1030
    ASTM A48-30 B
    Materialkod A

    Installation
     Max. omgivningstemperatur 60°C
    Max. driftstryck 16 bar
    Flänsstandard DIN
    Anslutningskod F
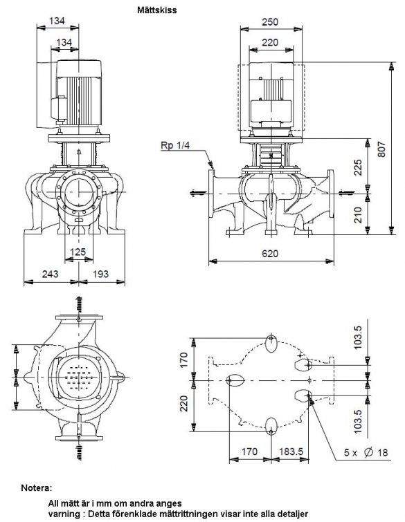
    Röranslutning DN 125
    Sugsida DN 125
    Trycksida DN 125
    Trycksteg PN 16
    Inbyggnadslängd 620 mm
    Motorflänsstorlek FF215

    Elektriskdata
    Motortyp 112MC
    IE Efficiency class IE3
    Effektförbrukning  P2 4 kW
    Antal Poler 4
    Nätfrekvens 50 Hz
    Märkspänning

    3 x 380-415
    D V

    Nominell ström 9,3 A
    Startström 790-870%
    Cos phi - verkningsgrad 0,75-0,68
    Varvtal 1460 rpm
    Kapslingsklass (EC 34-5) 55 Dust/Jetting
    Efficiency IE3 88,6%
    Motorns verkningsgrad vid full
    belastning
    88,6 %
    Motorverkningsgrad vid 3/4 last 88,9 %
    Motorverkningsgrad vid 1/2 last 88,3 %
    Isolationsklass (EC 85) F
    Motorskydd PTC
    Motornr 87322330

    Övriga
    Märka Grundfos Blueflux
    Minsta effektivitetsindex, MEI ≥ 0,70
    Nettovikt 146 kg
    Bruttovikt 177 kg
    Leveransvolym 1,12 m3


     Prestanda kurvor

    » Ritning med mått beskrivning

    » Kopplings schema

    • Cirkulationspump Grundfos TP 125-100/4,  4kW  131m³/h  8,151m 3x400V 50Hz
      Art. nr.
      GRU95045992
      Cirkulationspump Grundfos TP 125-100/4, 4kW 131m³/h 8,151m 3x400V 50Hz
    För mer information kontakta oss på
    0431-222 90


    TRÄDGÅRDSTEKNIK AB
    Helsingborgsv., Varalöv
    262 96 ÄNGELHOLM
    Telefon:
    0431-222 90
    Org Nr:
    556409-6120
    Webbadress:
    www.tradgardsteknik.se
    E-post:
    info@tradgardsteknik.se