Tryckfördelningslåda VBA VBA är en tryckfördelningslåda för till- och frånluft, avsedd att ge stabil tillströmning ti ll rektangulära galler eller andra typer av frontplattor. VBA är försedd med injusteringsspjäll och mätenhet. Tryckfördelningslådan kan anslutas från sidan, ovansidan eller baksid an. Injusteringsspjället manöv- reras från tryckfördelningslådans framsida, med hjälp av ett skalförsett handtag med inbyggd låsfunktion. VBA har tele- skopanslutning för enkel montering. Den har samma front- platta och teleskop som WB-lådan.
- Kan användas för både till- och frånluft.
- Frontplattan är lätt att demontera för att komma åt kanalen.
- Samma låda används för alla fronttype.
Material och ytbehandling Tryckfördelningslåda, tryckförde lningsplåt och spjäll är till- verkade av varmgalvaniserad stålplåt.

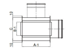
| Modell |
A×B mm |
Ød1 nom mm |
C mm
|
F mm
|
| VBA2010 |
200×100 |
125 |
165 |
90 |
| VBA3010 |
300×100 |
160 |
200 |
110 |
| VBA4010 |
400×100 |
160 |
200 |
110 |
| VBA5010 |
500×100 |
200 |
240 |
130 |
| VBA6010 |
600×100 |
250 |
290 |
155 |
| VBA8010 |
800×100 |
250 |
290 |
155 |
| VBA1010 |
1000×100 |
250 |
290 |
155 |
| VBA3015 |
300×150 |
200 |
240 |
130 |
| VBA4015 |
400×150 |
250 |
290 |
155 |
| VBA5015 |
500×150 |
250 |
290 |
155 |
| VBA6015 |
600×150 |
250 |
290 |
155 |
| VBA8015 |
800×150 |
315 |
355 |
190 |
| VBA1015 |
1000×150 |
315 |
355 |
190 |
| VBA3020 |
300×200 |
250 |
290 |
155 |
| VBA4020 |
400×200 |
250 |
290 |
155 |
| VBA5020 |
500×200 |
315 |
355 |
190 |
| VBA6020 |
600×200 |
315 |
355 |
190 |
| VBA8020 |
800×200 |
315 |
355 |
190 |
| VBA1020 |
1000×200 |
315 |
355 |
190 |
| VBA6030 |
600×300 |
400 |
440 |
215 |