https://www.tradgardsteknik.se/logotyper/bill_logo_1.png
Patric Torle
info@tradgardsteknik.se
0431-222 90
0431-222 70
Trädgårdsteknik AB tillverkar och bygger växthus, specialväxthus, orangerier, belysning Garden för hela Skandinavien.
Helsingborgsvägen 578
ÄNGELHOLM
262 96
SWEDEN

Pump enstegs pump ROVATTI-MB25 kapacitet 1020m³/h  




Pump enstegs pump ROVATTI-MB25 kapacitet 1020m³/h

Lista över delar och material

 

  Komponent Material
1 Växellåda Gjutjärn
2 PTO Axel Sätthärdat stål
3 PTO växel Sätthärdat stål
4 Axel kuggdrev Sätthärdat stål
5 Sug skål Gjutjärn
6 Pumphjul Gjutjärn
7 Pumpkroppen Gjutjärn
8 Packbox Syntetiska fibrer 

 

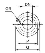
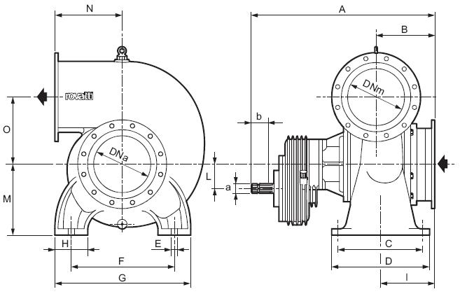
Övergripande dimesnions i mm och vikt i kg

 

 

ROVATTI-MB25
 Pump MB25
DNa 250
DNm 250
A 703
B 248
C 270
D 320
E 25
F 520
G 620
H 100
I 225
L 91,5
M 255
N 255
O 190
a 13/8
b 60
Vikt 143

 

 Pump DN P Q R Hål
MB 25 250 335 375 18 12

 

Inlopps  x Utlopp  Kapacitet 

PTO min-1 x Växel förhållande

Pump

Impeller

[l/min] 6000

7000

8000 9000 10000 12000 15000 17000
[m3/h] 360 420 480 540 600 720 900 1020
[l/s] 100 116,7  133,3  150  166,7  200

 250

 283,3
 250 x 250  510 x 3,14*  MB25      E H 18,3 18,2 18,1 17,7 17,3 15,5 11,2 6,5
hp 44,8 45,5 46,4 47,8 49,7 50 49,2 42,6
  NPSH(m) - 4,2 4,2 4,3 4,4 4,6 6 7,4

*standardförhållande

  • Pump enstegs pump ROVATTI-MB25 kapacitet 1020m³/h
    Art. nr.
    ROV0353
    Pump enstegs pump ROVATTI-MB25 kapacitet 1020m³/h
För mer information kontakta oss på
0431-222 90


TRÄDGÅRDSTEKNIK AB
Helsingborgsv., Varalöv
262 96 ÄNGELHOLM
Telefon:
0431-222 90
Org Nr:
556409-6120
Webbadress:
www.tradgardsteknik.se
E-post:
info@tradgardsteknik.se