Pump elektriska vertikala flerstegs MEKV50T-10
Föreställningar a 50Hz, 2 Poler


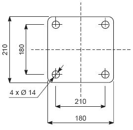
M =pumpfyllning =3/8"GAS
N=Dropp avloppet=3/8"GAS
L=Pump avlopp= 1/4"GAS
Mått och vikter kan ändras beroende på vilken typ av motor
| ROVATTI-MEKV50T-10 |
Pump
|
IEC
|
KW |
HP
|
| ME3KV50T-10/6 |
|
2,2 |
3 |
| ME7KV50T-8/24 |
|
2,2 |
3 |
| ME4KV50T-10/10 |
• |
3 |
4 |
| ME5KV50T-10/13 |
• |
4 |
5,5 |
| ME7KV50T-10/16 |
|
5,5 |
7,5 |
| ME7KV50T-10/16 |
• |
5,5 |
7,5 |
| ME7KV50T-10/18 |
|
5,5 |
7,5 |
| ME7KV50T-10/18 |
• |
5,5 |
7,5 |
| ME10KV50T-10/20 |
• |
7,5 |
10 |
| ME10KV50T-10/23 |
• |
7,5 |
10 |
| ME10KV50T-10/25 |
• |
7,5 |
10 |
| Pump |
Motor effekt |
[l/min] |
0 |
50 |
60 |
100 |
120 |
140 |
160 |
180 |
200 |
| [m3/h] |
0 |
3 |
3,6 |
6 |
7,2 |
8,4 |
9,6 |
10,8 |
12 |
| [kW] |
[l/s] |
0 |
0,8 |
1 |
1,7 |
2 |
2,3 |
2,7 |
3 |
3,3 |
| ME3KV50T-10/6 |
2,2 |
Hm |
56 |
55,5 |
55 |
51 |
49 |
45,5 |
42 |
38,5 |
34 |
| ME3KV50T-10/8 |
2,2 |
75 |
73,5 |
73 |
69 |
66 |
62,5 |
58 |
52 |
45 |
| ME4KV50T-10/10 |
3 |
96 |
94 |
93 |
88,5 |
85 |
80,5 |
74,5 |
67 |
58 |
| ME5KV50T-10/13 |
4 |
125 |
122 |
120 |
114 |
110 |
103 |
95,5 |
87 |
77 |
| ME7KV50T-10/16 |
5,5 |
154 |
150 |
149 |
141 |
135 |
128 |
118 |
107 |
96 |
| ME7KV50T-10/16 |
5,5 |
154 |
150 |
149 |
141 |
135 |
128 |
118 |
107 |
96 |
| E7KV50T-10/18 |
5,5 |
172 |
169 |
167 |
159 |
152 |
143 |
132 |
120 |
107 |
| ME7KV50T-10/18 |
5,5 |
172 |
169 |
167 |
159 |
152 |
143 |
132 |
120 |
107 |
| ME10KV50T-10/20 |
7,5 |
194 |
190 |
188 |
177 |
168 |
158 |
146 |
133 |
119 |
| ME10KV50T-10/23 |
7,5 |
220 |
216 |
214 |
203 |
194 |
182 |
168 |
154 |
137 |
| ME10KV50T-10/25 |
7,5 |
240 |
235 |
233 |
220 |
210 |
198 |
183 |
166 |
149 |
Yttermått i mm och vikt i kg
Pump
|
IEC
|
A |
B
|
C |
D |
Pump |
Motor |
| ME3KV50T-10/6 |
|
* |
759 |
* |
* |
42 |
* |
| ME3KV50T-10/8 |
|
* |
853 |
* |
* |
44,5 |
* |
| ME4KV50T-10/10 |
• |
* |
876 |
* |
* |
48 |
* |
| ME5KV50T-10/13 |
• |
* |
1009 |
* |
* |
53,5 |
* |
| ME7KV50T-10/16 |
|
* |
954 |
* |
* |
67 |
* |
| ME7KV50T-10/16 |
• |
* |
954 |
* |
* |
67 |
* |
| ME7KV50T-10/18 |
|
* |
1087 |
* |
* |
68,5 |
* |
| ME7KV50T-10/18 |
• |
* |
1087 |
* |
* |
68,5 |
* |
| ME10KV50T-10/20 |
• |
|
1165 |
* |
* |
77,5 |
* |
| ME10KV50T-10/23 |
• |
|
1282 |
* |
* |
81 |
* |
| ME10KV50T-10/25 |
• |
|
1360 |
* |
* |
83 |
* |
Föreställningar a 50Hz, 2 Poler

η %= pumpeffektivitet
Kurvor som fastställts för vätskedensitet 1000kg/m3 - viskositet 1mm2/s - Temperatur 20°C