https://www.tradgardsteknik.se/logotyper/bill_logo_1.png
Patric Torle
info@tradgardsteknik.se
0431-222 90
0431-222 70
Trädgårdsteknik AB tillverkar och bygger växthus, specialväxthus, orangerier, belysning Garden för hela Skandinavien.
Helsingborgsvägen 578
ÄNGELHOLM
262 96
SWEDEN

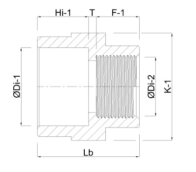
Övergångsmuff Ø12mm till Ø75mm, limsockel x invändig gänga  




Övergångsmuff Ø12mm till Ø75mm, limsockel x invändig gänga

Teknisk data
Anslutning: Limsockel x invandig gänga
Material: PVC-U
Farg: grå



Modell ØDi-1(mm)  ØDi-2    Lb(mm)  F-1(mm)  K-1(mm)  Hi-1(mm)  T (mm)
BEVA0101320 12  ¼"(R8) 26  12  24  12  2
BEVA0100346 16  ¼"(R8) 29  12  27  14  3
BEVA7002750 16  "(R10) 29  12  27  14  3
BEVA7018156 20  ¼"(R8) 33  12  32  16  5
BEVA0100347 20  "(R10) 33  12  32  16  5
BEVA7002752 20  ½"(R15) 33  15  32  15  2
BEVA7018157 25  "(R10) 39  12  36  12  8
BEVA7002754 25  ½"(R15) 39  15  36  15  5
BEVA7002755 25   ¾"(R20) 39  16  36  16  4
BEVA0110820 32  ½"(R15) 47  15  46  22  10
BEVA0110821 32  ¾"(R20) 47  16  46  22  9
BEVA7002757 32  1"(R25) 47  22  46  22  3
BEVA7018158 40  ¾"(R20) 48  16  55  26  6
BEVA0110823 40  1"(R25) 52  22  55  26  4
BEVA7002759 40  1¼"(R32) 52  23  55  26  3
BEVA0110825 50  1¼"(R32) 58  23  66  31  4
BEVA7002761 50  1½"(R38) 58  25  66  31  2
BEVA7018160 50  1"(R25) 55  22  66  31  2
BEVA7018162 63  1¼"(R32) 64  23  80  38  3
BEVA0110827 63  1½"(R38) 68  25  80  38  5
BEVA7002763 63  2"(R50) 69  28  80  38  3
BEVA7018164 75  1½"(R38) 72  23  96  44  5
BEVA7018166 75  2"(R50) 75  27  96  44  4
För mer information kontakta oss på
0431-222 90


TRÄDGÅRDSTEKNIK AB
Helsingborgsv., Varalöv
262 96 ÄNGELHOLM
Telefon:
0431-222 90
Org Nr:
556409-6120
Webbadress:
www.tradgardsteknik.se
E-post:
info@tradgardsteknik.se