Cirkulationspump Grundfos TPE 50-190/2, 1,5kW 22,2m³/h 15,5m 3x400V 50Hz
- Enstegs, direktkopplad pump med inlopps-och utloppsportar i linje med samma diameter.
- Pumparna är konstruerade för att kunna lyftas uppåt ur sin installation (”top-pull-out”), dvs. att pumpöverdelen (motor, pumpöverdel och pumphjul) kan lyftas ut för underhåll eller service, medan pumphuset sitter kvar i rörkonstruktionen.
- Pumpen är försedd med en obalanserad gummibälgstätning.
- Axeltätningen uppfyller EN 12756.
- Röranslutningen sker med PN 16 DIN-flänsar (EN 1092-2 och ISO 7005-2).
- Pumpen är försedd med en fläktkyld, synkron permanentmotor.
- Pumpen är försedd med en differenstryckssensor
*-Bilden på produkten kan avvika från aktuell produkt.
| Vätska |
| Vätska |
Vatten |
| Vätsketemperatur område |
0 till 120°C |
| Vätsketemp |
20°C |
| Densitet |
998,2 kg/m³ |
| Teknisk data |
| Hastighets |
2900 rpm
|
| Resulterande flöde |
22,2 m³/h |
| Resulterande lyfthöjd för pumpen |
15,5 m |
| Max. tryck |
190 dm |
Kod för axeltätning. 1: Typ 2. Rot. tätningsdel 3: Stat. plats 4: Sek. tätning: |
BAQE |
| Kurvtolerans |
ISO9906:2012 3B |
| Pumpversion |
A |
| Modell |
A |
| Material |
| Pumphus |
Gjutjärn EN-JL 1040 ASTM A48-40B |
| Pumphjul |
Gjutjärn EN-JL1030 ASTM A48-30 B |
| Materialkod |
A |
| Installation |
| Max. omgivningstemperatur |
50°C |
| Max. driftstryck |
16 bar |
| Flänsstandard |
DIN |
| Anslutningskod |
F |
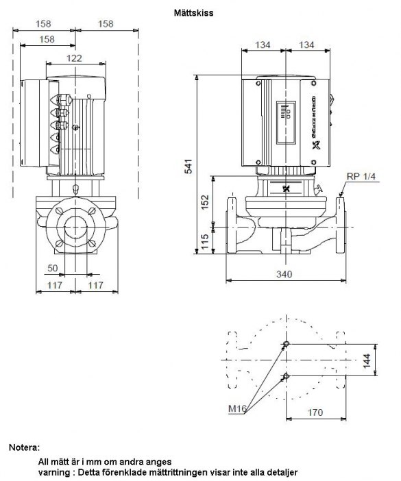
| Röranslutning |
DN 50 |
| Trycksteg |
PN 16 |
| Inbyggnadslängd |
340 mm |
| Motorflänsstorlek |
FF165 |
| Elektriskdata |
| Motortyp |
90SC |
| IE Efficiency class |
NA |
| Effektförbrukning P2 |
1,5 kW |
| Nätfrekvens |
50 Hz |
| Märkspänning |
3 x 380-500 V
|
| Nominell ström |
2,90-2,40 A |
| Cos phi - verkningsgrad |
0,92-0,85 |
| Varvtal |
360-4000 rpm |
| Kapslingsklass (EC 34-5) |
IP55 |
| Efficiency |
IE3 88,9% |
| Isolationsklass (EC 85) |
F |
| Motorskydd |
JA |
| Motornr |
98362354 |
| Övriga |
| Märka |
Grundfos Blueflux |
| Minsta effektivitetsindex, MEI ≥ |
0,70 |
| Nettovikt |
49 kg |
| Bruttovikt |
58 kg |
| Leveransvolym |
0,13 m3 |
Prestanda kurvor

» Ritning med mått beskrivning