https://www.tradgardsteknik.se/logotyper/bill_logo_1.png
Patric Torle
info@tradgardsteknik.se
0431-222 90
0431-222 70
Trädgårdsteknik AB tillverkar och bygger växthus, specialväxthus, orangerier, belysning Garden för hela Skandinavien.
Helsingborgsvägen 578
ÄNGELHOLM
262 96
SWEDEN

Cirkulationspump Grundfos TPE 200-90/4, 7,5kW 334m³/h 6m 3x400V 50Hz  




Cirkulationspump Grundfos TPE 200-90/4 A-F-A-BAQE 7,5kW 334m3/h 6m 3x400V 50Hz

    • Enstegs, direktkopplad pump med inlopps-och utloppsportar i linje med samma diameter.
    • Pumparna är konstruerade för att kunna lyftas uppåt ur sin installation (”top-pull-out”), dvs. att pumpöverdelen (motor, pumpöverdel och pumphjul) kan lyftas ut för underhåll eller service, medan pumphuset sitter kvar i rörkonstruktionen.
    • Pumpen är försedd med en obalanserad gummibälgstätning.
    • Axeltätningen uppfyller EN 12756.
    • Röranslutningen sker med PN 16 DIN-flänsar (EN 1092-2 och ISO 7005-2).
    • Pumpen är försedd med en fläktkyld asynkronmotor.
    • Motorn har en frekvensomformare och en PI-styrenhet i motorns kopplingsbox.
    • Detta möjliggör kontinuerlig reglering av motorvarvtalet, vilket gör att man kan anpassa pumpens prestanda efter ett givet behov.
          *-Bilden på produkten kan avvika från aktuell produkt.


    Vätska
    Vätska Vatten
    Vätsketemperatur område 0 till 120°C
    Vätsketemp 20°C
    Densitet 998,2 kg/m³

    Teknisk data
    Hastighets

    1460 rpm

    Resulterande flöde 334 m³/h
     Resulterande lyfthöjd för pumpen 6 m
    Max. tryck 90 dm
    Faktisk pumphjulsdiameter 210-156 mm
    Kod för axeltätning. 1: Typ 2. Rot.
    tätningsdel 3: Stat. plats 4: Sek. tätning:
    BAQE
    Kurvtolerans ISO9906:2012 3B
    Pumpversion A
    Modell A

    Material
    Pumphus  Gjutjärn EN-JL 1040
    ASTM A48-40B
    Pumphjul Gjutjärn
    EN-JL 1030
    ASTM A48-30 B
    Materialkod A

    Installation
     Max. omgivningstemperatur 40°C
    Max. driftstryck 16 bar
    Flänsstandard DIN
    Anslutningskod F
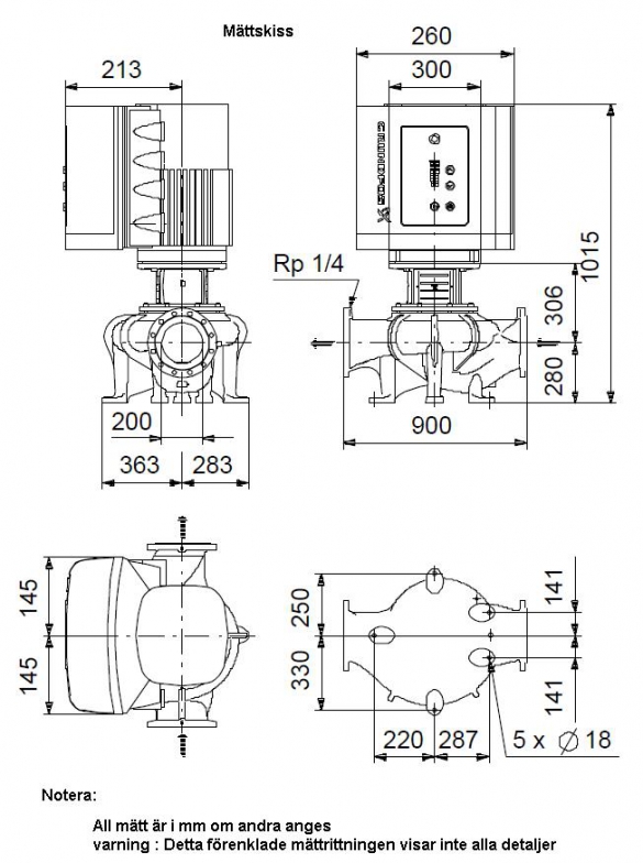
    Röranslutning DN 200
    Trycksteg PN 16
    Inbyggnadslängd 900 mm
    Motorflänsstorlek FF265

    Elektriskdata
    Motortyp 132MB
    IE Efficiency class IE3
    Effektförbrukning  P2 7,5 kW
    Antal Poler 4
    Nätfrekvens 50 Hz
    Märkspänning

    3 x 380-480 V

    Nominell ström 14,9-12,0 A
    Cos phi - verkningsgrad 0,88-0,80
    Varvtal 240-1750 rpm
    Kapslingsklass (EC 34-5) IP55
    Efficiency IE3 90,4%
    Isolationsklass (EC 85) F
    Motorskydd INGEN
    Motornr 86906127

    Övriga
    Minsta effektivitetsindex, MEI ≥ 0,70
    Nettovikt 303 kg
    Bruttovikt 458 kg
    Leveransvolym 2,29 m3


     Prestanda kurvor

    » Ritning med mått beskrivning

    • Cirkulationspump Grundfos TPE 200-90/4,  7,5kW  334m³/h  6m 3x400V 50Hz
      Art. nr.
      GRU95046221
      Cirkulationspump Grundfos TPE 200-90/4, 7,5kW 334m³/h 6m 3x400V 50Hz
    För mer information kontakta oss på
    0431-222 90


    TRÄDGÅRDSTEKNIK AB
    Helsingborgsv., Varalöv
    262 96 ÄNGELHOLM
    Telefon:
    0431-222 90
    Org Nr:
    556409-6120
    Webbadress:
    www.tradgardsteknik.se
    E-post:
    info@tradgardsteknik.se