Cirkulationspump Grundfos TPD 65-120/2, 1,1kW 25m³/h 8,12m 3x400V 50Hz
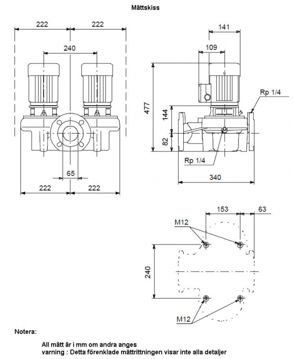
- Enstegs, direktkopplad, dubbelpump med inlopps-och utloppsportar i linje med samma diametrar.
- Dubbelpumpen är konstruerad med två parallella drivsidor.
- Pumparna är konstruerade för att kunna lyftas uppåt ur sin installation (”top-pull-out”), dvs. att pumpöverdelen (motor, pumpöverdel och pumphjul) kan lyftas ut för underhåll eller service, medan pumphuset sitter kvar i rörkonstruktionen.
- Varje pump är försedd med en obalanserad gummibälgstätning.
- Axeltätningen uppfyller EN 12756.
- Röranslutningen sker med PN 6/10 DIN-flänsar (EN 1092-2 och ISO 7005-2).
- Varje pump är försedd med en fläktkyld asynkronmotor av motsvarande storlek.
Ytterligare produktinformation
- Produkten bär märkningen Grundfos Blueflux®.
- Den representerar det bästa från Grundfos i fråga om energieffektiva motorer och frekvensomformare.
- Grundfos Blueflux®-lösningar uppfyller eller överträffar lagstiftningens krav, såsom EuP klass IE3 eller IE4.
*-Bilden på produkten kan avvika från aktuell produkt.
| Vätska |
| Vätska |
Vatten |
| Vätsketemperatur område |
0 till 140°C |
| Vätsketemp |
20°C |
| Densitet |
998,2 kg/m³ |
| Teknisk data |
| Hastighets |
2880 rpm
|
| Resulterande flöde |
25 m³/h |
| Resulterande lyfthöjd för pumpen |
8,125 m |
| Max. tryck |
120 dm |
| Faktisk pumphjulsdiameter |
91 mm |
Kod för axeltätning. 1: Typ 2. Rot. tätningsdel 3: Stat. plats 4: Sek. tätning: |
BUBE |
| Kurvtolerans |
ISO9906:2012 3B |
| Pumpversion |
A |
| Modell |
A |
| Material |
| Pumphus |
Gjutjärn EN-JL 1040 ASTM A48-40B |
| Pumphjul |
Rostfritt stål DIN W.-Nr. 1,4301 AISI 304 |
| Materialkod |
A |
| Installation |
| Max. omgivningstemperatur |
60°C |
| Max. driftstryck |
10 bar |
| Flänsstandard |
DIN |
| Anslutningskod |
F |
| Röranslutning |
DN 65 |
| Sugsida |
DN 65 |
| Trycksida |
DN 65 |
| Trycksteg |
PN 6/10 |
| Inbyggnadslängd |
340 mm |
| Motorflänsstorlek |
FT100 |
| Elektriskdata |
| Motortyp |
80C |
| IE Efficiency class |
IE3 |
| Effektförbrukning P2 |
1,1 kW |
| Antal Poler |
2 |
| Nätfrekvens |
50 Hz |
| Märkspänning |
3 x 220-240 D/380-415 Y V
|
| Nominell ström |
4,35/2,50 A |
| Startström |
450-500 % |
| Cos phi - verkningsgrad |
0,83-0,76 |
| Varvtal |
2840-2870 rpm |
| Kapslingsklass (EC 34-5) |
55 Dust/Jetting |
| Efficiency |
IE3 82,7% |
| Isolationsklass (EC 85) |
F |
| Motorskydd |
INGEN |
| Motornr |
85U05105 |
| Övriga |
| Minsta effektivitetsindex, MEI ≥ |
0,59 |
| Nettovikt |
71 kg |
| Bruttovikt |
81 kg |
| Leveransvolym |
0,22 m3 |
Prestanda kurvor

» Ritning med mått beskrivning
» Kopplings schema