https://www.tradgardsteknik.se/logotyper/bill_logo_1.png
Patric Torle
info@tradgardsteknik.se
0431-222 90
0431-222 70
Trädgårdsteknik AB tillverkar och bygger växthus, specialväxthus, orangerier, belysning Garden för hela Skandinavien.
Helsingborgsvägen 578
ÄNGELHOLM
262 96
SWEDEN

Cirkulationspump Grundfos TPD 50-130/4, 1,1kW 20,7m³/h 8,34m 3x400V 50Hz  




Cirkulationspump Grundfos TPD 50-130/4,  1,1kW  20,7m³/h  8,34m 3x400V 50Hz

  • Enstegs, direktkopplad, dubbelpump med inlopps-och utloppsportar i linje med samma diametrar.
  • Dubbelpumpen är konstruerad med två parallella drivsidor.
  • Pumparna är konstruerade för att kunna lyftas uppåt ur sin installation (”top-pull-out”), dvs. att pumpöverdelen (motor, pumpöverdel och pumphjul) kan lyftas ut för underhåll eller service, medan pumphuset sitter kvar i rörkonstruktionen.
  • Varje pump är försedd med en obalanserad gummibälgstätning.
  • Axeltätningen uppfyller EN 12756.
  • Röranslutningen sker med PN 16 DIN-flänsar (EN 1092-2 och ISO 7005-2).
  • Varje pump är försedd med en fläktkyld asynkronmotor av motsvarande storlek.
Ytterligare produktinformation
  • Produkten bär märkningen Grundfos Blueflux®.
  • Den representerar det bästa från Grundfos i fråga om energieffektiva motorer och frekvensomformare.
  • Grundfos Blueflux®-lösningar uppfyller eller överträffar lagstiftningens krav, såsom EuP klass IE3 eller IE4.
 *-Bilden på produkten kan avvika från aktuell produkt.


Vätska
Vätska Vatten
Vätsketemperatur område 0 till 120°C
Vätsketemp 20°C
Densitet 998,2 kg/m³

Teknisk data
Hastighets

1445 rpm

Resulterande flöde 21,1 m³/h
 Resulterande lyfthöjd för pumpen 8,7 m
Max. tryck 130 dm
Faktisk pumphjulsdiameter 200 mm
Kod för axeltätning. 1: Typ 2. Rot.
tätningsdel 3: Stat. plats 4: Sek. tätning:
BAQE
Kurvtolerans ISO9906:2012 3B
Pumpversion A
Modell A

Material
Pumphus  Gjutjärn EN-JL 1040
ASTM A48-40B
Pumphjul Gjutjärn
EN-JL1030
ASTM A48-30 B
Materialkod A

Installation
 Max. omgivningstemperatur 60°C
Max. driftstryck 16 bar
Flänsstandard DIN
Anslutningskod F
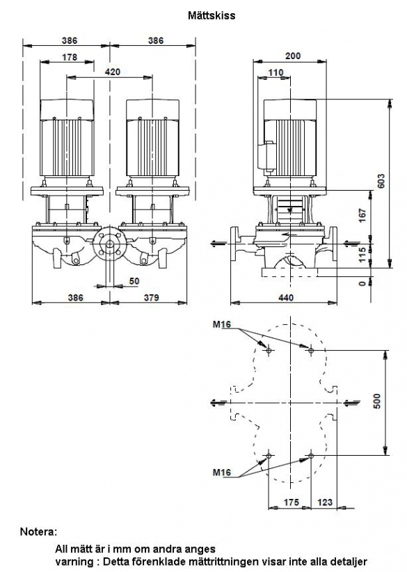
Röranslutning DN 50
Sugsida DN 50
Trycksida DN 50
Trycksteg PN 16
Inbyggnadslängd 440 mm
Motorflänsstorlek FF165

Elektriskdata
Motortyp 90SB
IE Efficiency class IE3
Effektförbrukning  P2  1,1 kW
Antal Poler 4
Nätfrekvens 50 Hz
Märkspänning

3 x 220-240 D/380-415 Y V

Nominell ström 4,85/2,80 A
Startström 820-900 %
Cos phi - verkningsgrad 0,71-0,64
Varvtal 1450-1460 rpm
Kapslingsklass (EC 34-5) 55 Dust/Jetting
Efficiency IE3 84,1%
Isolationsklass (EC 85) F
Motorskydd INGEN
Motornr 87220316

Övriga
Märka Grundfos Blueflux
Minsta effektivitetsindex, MEI ≥ 0,39
Nettovikt 142 kg
Bruttovikt 162 kg
Leveransvolym 0,52 m3


 Prestanda kurvor

» Ritning med mått beskrivning

» Kopplings schema

  • Cirkulationspump Grundfos TPD 50-130/4,  1,1kW  20,7m³/h  8,34m 3x400V 50Hz
    Art. nr.
    GRU96087143
    Cirkulationspump Grundfos TPD 50-130/4, 1,1kW 20,7m³/h 8,34m 3x400V 50Hz
För mer information kontakta oss på
0431-222 90


TRÄDGÅRDSTEKNIK AB
Helsingborgsv., Varalöv
262 96 ÄNGELHOLM
Telefon:
0431-222 90
Org Nr:
556409-6120
Webbadress:
www.tradgardsteknik.se
E-post:
info@tradgardsteknik.se