https://www.tradgardsteknik.se/logotyper/bill_logo_1.png
Patric Torle
info@tradgardsteknik.se
0431-222 90
0431-222 70
Trädgårdsteknik AB tillverkar och bygger växthus, specialväxthus, orangerier, belysning Garden för hela Skandinavien.
Helsingborgsvägen 578
ÄNGELHOLM
262 96
SWEDEN

Cirkulationspump Grundfos TPD 32-180/2, 0,55kW 6,65m³/h 11,3m 3x400V 50Hz  




Cirkulationspump Grundfos TPD 32-180/2,  0,55kW  6,65m³/h 11,3m 3x400V 50Hz

    • Enstegs, direktkopplad, dubbelpump med inlopps-och utloppsportar i linje med samma diametrar.
    • Dubbelpumpen är konstruerad med två parallella drivsidor.
    • Pumparna är konstruerade för att kunna lyftas uppåt ur sin installation (”top-pull-out”), dvs. att pumpöverdelen (motor, pumpöverdel och pumphjul) kan lyftas ut för underhåll eller service, medan pumphuset sitter kvar i rörkonstruktionen.
    • Varje pump är försedd med en obalanserad gummibälgstätning. Axeltätningen uppfyller EN 12756.
    • Röranslutningen sker med PN 6/10 DIN-flänsar (EN 1092-2 och ISO 7005-2).
    • Varje pump är försedd med en fläktkyld asynkronmotor av motsvarande storlek
         *-Bilden på produkten kan avvika från aktuell produkt.


    Vätska
    Vätska Vatten
    Vätsketemperatur område 0 till 140°C
    Vätsketemp 20°C
    Densitet 998,2 kg/m³

    Teknisk data
    Hastighets

    2840 rpm

    Resulterande flöde 6,6 m³/h
     Resulterande lyfthöjd för pumpen 11,1 m
    Max. tryck 180 dm
    Faktisk pumphjulsdiameter 118 mm
    Kod för axeltätning. 1: Typ 2. Rot.
    tätningsdel 3: Stat. plats 4: Sek. tätning:
    BUBE
    Kurvtolerans ISO9906:2012 3B
    Pumpversion A
    Modell A

    Material
    Pumphus  Gjutjärn EN-JL 1040
    ASTM A48-40B
    Pumphjul Rostfritt stål
    DIN W.-Nr. 1,4301
    AISI 304
    Materialkod A

    Installation
     Max. omgivningstemperatur 40°C
    Max. driftstryck 10 bar
    Flänsstandard DIN
    Anslutningskod F
    Röranslutning DN 32
    Sugsida DN 32
    Trycksida DN 32
    Trycksteg PN 6/10
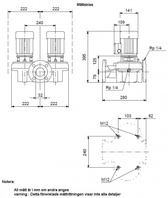
    Inbyggnadslängd 280 mm
    Motorflänsstorlek FT85

    Elektriskdata
    Motortyp 71B
    IE Efficiency class IE3
    Effektförbrukning  P2  0,55 kW
    Antal Poler 2
    Nätfrekvens 50 Hz
    Märkspänning

    3 x 220-240 D/380-415 Y V

    Nominell ström 2,50/1,44 A
    Startström 580-620 %
    Cos phi - verkningsgrad 0,80-0,70
    Varvtal 2830-2850 rpm
    Efficiency 77,8%
    Motorns verkningsgrad vid full
    belastning:
    77,8%
    Motorverkningsgrad vid 3/4 last 81,5%
    Motorverkningsgrad vid 1/2 last 79,5%
    Kapslingsklass (EC 34-5) 55 Dust/Jetting
    Isolationsklass (EC 85) F
    Motorskydd INGEN
    Motornr 85805103

    Övriga
    Minsta effektivitetsindex, MEI ≥ 0,64
    Nettovikt 51,2 kg
    Bruttovikt 55,4 kg
    Leveransvolym 0,12 m3


     Prestanda kurvor

    » Ritning med mått beskrivning

    » Kopplings schema

    • Cirkulationspump Grundfos TPD 32-180/2,  0,55kW  6,65m³/h 11,3m 3x400V 50Hz
      Art. nr.
      GRU96463749
      Cirkulationspump Grundfos TPD 32-180/2, 0,55kW 6,65m³/h 11,3m 3x400V 50Hz
    För mer information kontakta oss på
    0431-222 90


    TRÄDGÅRDSTEKNIK AB
    Helsingborgsv., Varalöv
    262 96 ÄNGELHOLM
    Telefon:
    0431-222 90
    Org Nr:
    556409-6120
    Webbadress:
    www.tradgardsteknik.se
    E-post:
    info@tradgardsteknik.se