https://www.tradgardsteknik.se/logotyper/bill_logo_1.png
Patric Torle
info@tradgardsteknik.se
0431-222 90
0431-222 70
Trädgårdsteknik AB tillverkar och bygger växthus, specialväxthus, orangerier, belysning Garden för hela Skandinavien.
Helsingborgsvägen 578
ÄNGELHOLM
262 96
SWEDEN

Cirkulationspump Grundfos TP 150-70/6, 3kW 147m³/h 5,4m 3x400V 50Hz  




Cirkulationspump Grundfos TP 150-70/6,  3kW  147m³/h  5,4m 3x400V 50Hz

    • Enstegs, direktkopplad pump med inlopps-och utloppsportar i linje med samma diameter.
    • Pumparna är konstruerade för att kunna lyftas uppåt ur sin installation (”top-pull-out”), dvs. att pumpöverdelen (motor, pumpöverdel och pumphjul) kan lyftas ut för underhåll eller service, medan pumphuset sitter kvar i rörkonstruktionen.
    • Pumpen är försedd med en obalanserad gummibälgstätning.
    • Axeltätningen uppfyller EN 12756.
    • Röranslutningen sker med PN 16 DIN-flänsar (EN 1092-2 och ISO 7005-2).
    • Pumpen är försedd med en fläktkyld asynkronmotor.
         *-Bilden på produkten kan avvika från aktuell produkt.


    Vätska
    Vätska Vatten
    Vätsketemperatur område 0 till 120°C
    Vätsketemp 20°C
    Densitet 998,2 kg/m³

    Teknisk data
    Hastighets

    975 rpm

    Resulterande flöde 147 m³/h
     Resulterande lyfthöjd för pumpen 5,4 m
    Max. tryck 70 dm
    Faktisk pumphjulsdiameter 218 mm
    Kod för axeltätning. 1: Typ 2. Rot.
    tätningsdel 3: Stat. plats 4: Sek. tätning:
    BAQE
    Kurvtolerans ISO9906:2012 3B2
    Pumpversion A
    Modell A

    Material
    Pumphus  Gjutjärn EN-GJL-250

    ASTM class 35

    Pumphjul Gjutjärn EN-GJL-200

    ASTM class 30

    Materialkod A

    Installation
     Max. omgivningstemperatur 55°C
    Max. driftstryck 16 bar
    Flänsstandard DIN
    Anslutningskod F
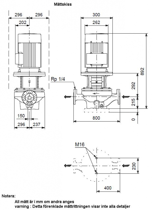
    Röranslutning DN 150
    Sugsida DN 150
    Trycksida DN 150
    Trycksteg PN 16
    Inbyggnadslängd 800 mm
    Motorflänsstorlek FF265

    Elektriskdata
    Motortyp SIEMENS
    IE Efficiency class IE3
    Effektförbrukning  P2 3 kW
    Antal Poler 6
    Nätfrekvens 50 Hz
    Märkspänning

    3 x 380-420D/ 660-725Y V

    Nominell ström 6.9/4 A
    Startström 660-660 %
    Cos phi - verkningsgrad 0,73
    Varvtal 975 rpm
    Kapslingsklass (EC 34-5) 55 (Protect. Vattenstrålar / damm)
    Efficiency IE3 85,6%
    Motorns verkningsgrad vid full
    belastning
    85,6%
    Motorverkningsgrad vid 3/4 last 85.8-85.8 %
    Motorverkningsgrad vid 1/2 last 84.3-84.3 %
    Isolationsklass (EC 85) F
    Motorskydd PTC
    Motornr 83W15210

    Övriga
    Minsta effektivitetsindex, MEI ≥ 0,62
    Nettovikt 262 kg
    Bruttovikt 299 kg
    Leveransvolym 0,743 m3


     Prestanda kurvor

    » Ritning med mått beskrivning

    » Kopplings schema

    • Cirkulationspump Grundfos TP 150-70/6,  3kW  147m³/h  5,4m 3x400V 50Hz
      Art. nr.
      GRU96109986
      Cirkulationspump Grundfos TP 150-70/6, 3kW 147m³/h 5,4m 3x400V 50Hz
    För mer information kontakta oss på
    0431-222 90


    TRÄDGÅRDSTEKNIK AB
    Helsingborgsv., Varalöv
    262 96 ÄNGELHOLM
    Telefon:
    0431-222 90
    Org Nr:
    556409-6120
    Webbadress:
    www.tradgardsteknik.se
    E-post:
    info@tradgardsteknik.se