https://www.tradgardsteknik.se/logotyper/bill_logo_1.png
Patric Torle
info@tradgardsteknik.se
0431-222 90
0431-222 70
Trädgårdsteknik AB tillverkar och bygger växthus, specialväxthus, orangerier, belysning Garden för hela Skandinavien.
Helsingborgsvägen 578
ÄNGELHOLM
262 96
SWEDEN

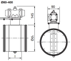
Avstängningsspjäll med pneumatiskt ställdon  




Avstängningsspjäll med pneumatiskt ställdon
Det Består av ett DTU spjäll med ett påmonterat pneumatiskt ställdon. Ställdonet består av ett hus av polyamid och metalldelar av rostfritt stål. När lufttrycket ökar, öppnar ställdonet. När lufttrycket faller, stänger ställdonet via kraften ifrån returfjädern som spänts inuti ställdonet. Spjällbladet levereras stängt.

Ø 80–315 klarar tryckklass C i stängd position. Ø 400 klarar tryckklass B i stängd position



Ød1
nom
l
nom
m
kg
Motortyp
Täthetsklass
förbi stängt blad

Tryckklass i
stängt läge
80 100  1,30  PPWS 4 C
100 100  1,35  PPWS 4 C
125 100  1,50  PPWS 4 C
160 100  1,70  PPWS 4 C
200 100  2,00  PPWS 4 C
250 100  2,50  PPWS 4 C
315 100  3,10  PPWS 4 C
400 100  4,60  PPWS 4 B
500 115  7,54  POWS 4 B
630 115  10,3  POWS 4 B

AK-31P

  • Avstängningsspjäll med pneumatiskt ställdon 80 mm
    Art. nr.
    TAK31P80
    Avstängningsspjäll med pneumatiskt ställdon 80 mm
  • Avstängningsspjäll med pneumatiskt ställdon 100 mm
    Art. nr.
    TAK31P100
    Avstängningsspjäll med pneumatiskt ställdon 100 mm
  • Avstängningsspjäll med pneumatiskt ställdon 125 mm
    Art. nr.
    TAK31P125
    Avstängningsspjäll med pneumatiskt ställdon 125 mm
  • Avstängningsspjäll med pneumatiskt ställdon 160mm
    Art. nr.
    TAK31P160
    Avstängningsspjäll med pneumatiskt ställdon 160mm
  • Avstängningsspjäll med pneumatiskt ställdon 200mm
    Art. nr.
    TAK31P200
    Avstängningsspjäll med pneumatiskt ställdon 200mm

AK-41P

  • Avstängningsspjäll med pneumatiskt ställdon 250mm
    Art. nr.
    TAK41P250
    Avstängningsspjäll med pneumatiskt ställdon 250mm
  • Avstängningsspjäll med pneumatiskt ställdon 315mm
    Art. nr.
    TAK41P315
    Avstängningsspjäll med pneumatiskt ställdon 315mm

AK-42P

  • Avstängningsspjäll med pneumatiskt ställdon 400mm
    Art. nr.
    TAK42P400
    Avstängningsspjäll med pneumatiskt ställdon 400mm
  • Avstängningsspjäll med pneumatiskt ställdon 500mm
    Art. nr.
    TAK42P500
    Avstängningsspjäll med pneumatiskt ställdon 500mm
  • Avstängningsspjäll med pneumatiskt ställdon 630mm
    Art. nr.
    TAK42P630
    Avstängningsspjäll med pneumatiskt ställdon 630mm
För mer information kontakta oss på
0431-222 90


TRÄDGÅRDSTEKNIK AB
Helsingborgsv., Varalöv
262 96 ÄNGELHOLM
Telefon:
0431-222 90
Org Nr:
556409-6120
Webbadress:
www.tradgardsteknik.se
E-post:
info@tradgardsteknik.se