Spaltspridare MTL
MTL är en rektangulär spaltspridare i aluminium. MTL är lämplig för både till- och frånluft. MTL har luftriktarprofiler, som gör att den kan användas för horisontell inblåsning. Det horisontella spridningsmö nstret ändras enkelt genom att luftriktarprofilen vänds. Inga verktyg behövs.
Vid vertikal inblåsning ska luftriktarprofilen demonteras. MTL finns i två utföranden, 15 eller 19 mm, beroende på krav på kapacitet eller av es tetiska orsaker. MTL kan med fördel monteras med tryckför delningslåda STB/STU för att uppnå jämn tillströmning och individuell injustering. MTL levereras normalt i längde r upp till högst 2 m, men kan beställas upp till 5 m.
- Diskret utseende.
- Används för både till- och frånluft.
- Horisontell och vertikal inblåsning.
»
Klicka här för att se beskrivning
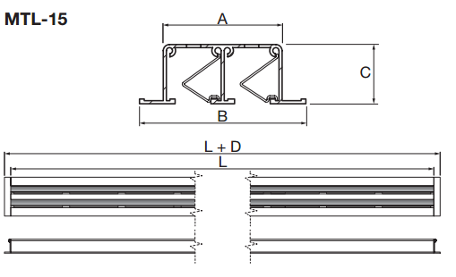
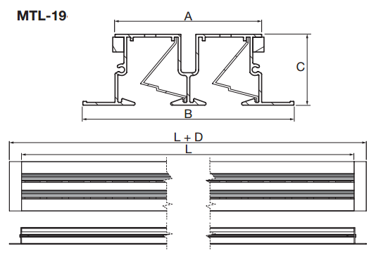
Dimenioner

| Antal spalter |
A mm
|
B mm |
C mm |
D mm |
| 1 |
25 |
45 |
25 |
30 |
| 2 |
50 |
70 |
25 |
30 |
| 3 |
75 |
95 |
25 |
30 |
| 4 |
540 |
120 |
25 |
30 |

| Antal spalter |
A mm
|
B mm |
C mm |
D mm |
| 1 |
40 |
75 |
38 |
56 |
| 2 |
79 |
113 |
38 |
56 |
| 3 |
117 |
151 |
38 |
56 |
| 4 |
157 |
189 |
38 |
56 |