https://www.tradgardsteknik.se/logotyper/bill_logo_1.png
Patric Torle
info@tradgardsteknik.se
0431-222 90
0431-222 70
Trädgårdsteknik AB tillverkar och bygger växthus, specialväxthus, orangerier, belysning Garden för hela Skandinavien.
Helsingborgsvägen 578
ÄNGELHOLM
262 96
SWEDEN

Cirkulationspump Grundfos TPED 80-90/4, 1,5kW 45,1m³/h 7,5m 3x400V 50Hz  




Cirkulationspump Grundfos TPED 80-90/4,  1,5kW  45,1m³/h  7,5m 3x400V 50Hz

      • Enstegs, direktkopplad, dubbelpump med inlopps-och utloppsportar i linje med samma diametrar.
      • Dubbelpumpen är konstruerad med två parallella drivsidor.
      • Pumparna är konstruerade för att kunna lyftas uppåt ur sin installation (”top-pull-out”), dvs. att pumpöverdelen (motor, pumpöverdel och pumphjul) kan lyftas ut för underhåll eller service, medan pumphuset sitter kvar i rörkonstruktionen.
      • Varje pump är försedd med en obalanserad gummibälgstätning.
      • Axeltätningen uppfyller EN 12756.
      • Röranslutningen sker med PN 16 DIN-flänsar (EN 1092-2 och ISO 7005-2).
      • Varje pump är försedd med en fläktkyld asynkronmotor av motsvarande storlek.
      • Motorn har en frekvensomformare och en PI-styrenhet i motorns kopplingsbox.
      • Detta möjliggör kontinuerlig reglering av motorvarvtalet, vilket gör att man kan anpassa pumpens prestanda efter ett givet behov.
      • Pumpen är försedd med en differenstryckssensor.
      *-Bilden på produkten kan avvika från aktuell produkt.


      Vätska
      Vätska Vatten
      Vätsketemperatur område 0 till 140°C
      Vätsketemp 20°C
      Densitet 998,2 kg/m³

      Teknisk data
      Hastighets

      1445 rpm

      Resulterande flöde 45,1 m³/h
       Resulterande lyfthöjd för pumpen 7,5 m
      Max. tryck 90 dm
      Kod för axeltätning. 1: Typ 2. Rot.
      tätningsdel 3: Stat. plats 4: Sek. tätning:
      BAQE
      Kurvtolerans ISO9906:2012 3B
      Pumpversion A
      Modell A

      Material
      Pumphus  Gjutjärn EN-JL 1040
      ASTM A48-40B
      Pumphjul Gjutjärn
      EN-JL1030
      ASTM A48-30 B
      Materialkod A

      Installation
       Max. omgivningstemperatur 40°C
      Max. driftstryck 16 bar
      Max. tryck vid angiven temp 16 bar /
      120 °C
      Flänsstandard DIN
      Anslutningskod F
      Röranslutning DN 80
      Trycksteg PN 16
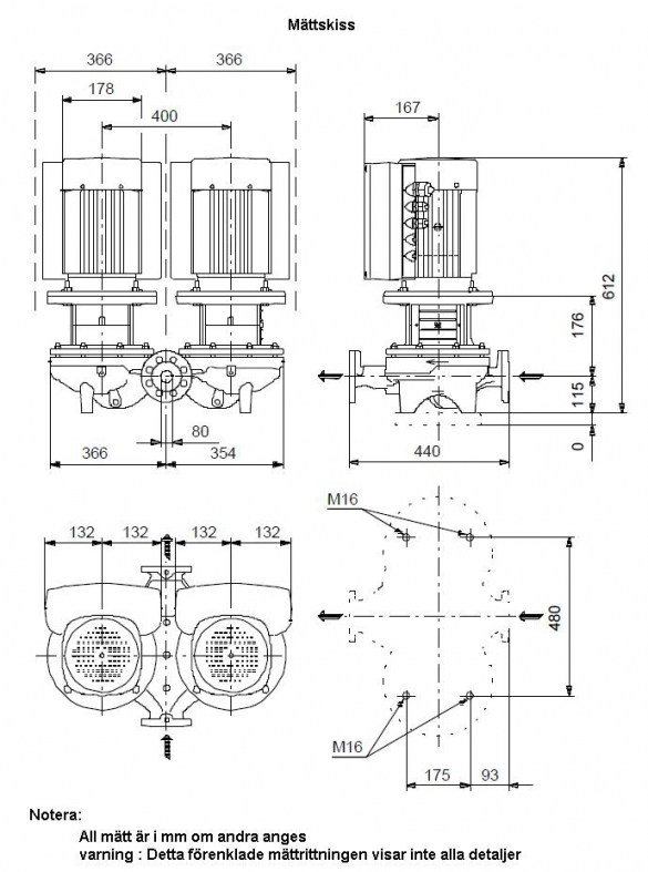
      Inbyggnadslängd 440 mm
      Motorflänsstorlek FF165

      Elektriskdata
      Motortyp 90LC
      IE Efficiency class IE3
      Effektförbrukning  P2 2 x 1,5 kW
      Antal Poler 4
      Nätfrekvens 50 Hz
      Märkspänning 3 x 380-480 V
      Nominell ström 3,30-2,90 A
      Cos phi - verkningsgrad 0,92-0,83
      Varvtal 180-1740 rpm
      Kapslingsklass (EC 34-5) IP55
      Efficiency IE3 85,3%
      Isolationsklass (EC 85) F
      Motorskydd INGEN
      Motornr 86906262

      Övriga
      Minsta effektivitetsindex, MEI ≥ 0,68
      Nettovikt 175 kg
      Bruttovikt 186 kg
      Leveransvolym 0,46 m3


       Prestanda kurvor

      » Ritning med mått beskrivning

      • Cirkulationspump Grundfos TPED 80-90/4,  1,5kW  45,1m³/h  7,5m 3x400V 50Hz
        Art. nr.
        GRU96275928
        Cirkulationspump Grundfos TPED 80-90/4, 1,5kW 45,1m³/h 7,5m 3x400V 50Hz
      För mer information kontakta oss på
      0431-222 90


      TRÄDGÅRDSTEKNIK AB
      Helsingborgsv., Varalöv
      262 96 ÄNGELHOLM
      Telefon:
      0431-222 90
      Org Nr:
      556409-6120
      Webbadress:
      www.tradgardsteknik.se
      E-post:
      info@tradgardsteknik.se