Cirkulationspump Grundfos TP 65-340/2, 5,5kW 49,1m³/h 28,03m 3x400V 50Hz
- Enstegs, direktkopplad pump med inlopps-och utloppsportar i linje med samma diameter.
- Pumparna är konstruerade för att kunna lyftas uppåt ur sin installation (”top-pull-out”), dvs. att pumpöverdelen (motor, pumpöverdel och pumphjul) kan lyftas ut för underhåll eller service, medan pumphuset sitter kvar i rörkonstruktionen.
- Pumpen är försedd med en obalanserad gummibälgstätning.
- Axeltätningen uppfyller EN 12756.
- Röranslutningen sker med PN 16 DIN-flänsar (EN 1092-2 och ISO 7005-2).
- Pumpen är försedd med en fläktkyld asynkronmotor.
Ytterligare produktinformation
- Produkten bär märkningen Grundfos Blueflux®.
- Den representerar det bästa från Grundfos i fråga om energieffektiva motorer och frekvensomformare.
- Grundfos Blueflux®-lösningar uppfyller eller överträffar lagstiftningens krav, såsom EuP klass IE3 eller IE4.
*-Bilden på produkten kan avvika från aktuell produkt.
| Vätska |
| Vätska |
Vatten |
| Vätsketemperatur område |
0 till 120°C |
| Vätsketemp |
20°C |
| Densitet |
998,2 kg/m³ |
| Teknisk data |
| Hastighets |
2920 rpm
|
| Resulterande flöde |
49,1 m³/h |
| Resulterande lyfthöjd för pumpen |
28,03 m |
| Max. tryck |
340 dm |
| Faktisk pumphjulsdiameter |
158 mm |
Kod för axeltätning. 1: Typ 2. Rot. tätningsdel 3: Stat. plats 4: Sek. tätning: |
BAQE |
| Kurvtolerans |
ISO9906:2012 3B |
| Pumpversion |
A |
| Modell |
A |
| Material |
| Pumphus |
Gjutjärn EN-JL 1040 ASTM A48-40B |
| Pumphjul |
Gjutjärn EN-JL1030 ASTM A48-30 B |
| Materialkod |
A |
| Installation |
| Max. omgivningstemperatur |
60°C |
| Max. driftstryck |
16 bar |
| Flänsstandard |
DIN |
| Anslutningskod |
F |
| Röranslutning |
DN 65 |
| Sugsida |
DN 65 |
| Trycksida |
DN 65 |
| Trycksteg |
PN 16 |
| Inbyggnadslängd |
360 mm |
| Motorflänsstorlek |
FF265 |
| Elektriskdata |
| Motortyp |
132SC |
| IE Efficiency class |
IE3 |
| Effektförbrukning P2 |
5,5 kW |
| Antal Poler |
2 |
| Nätfrekvens |
50 Hz |
| Märkspänning |
3 x 380 - 415 D V
|
| Nominell ström |
11 A |
| Startström |
1080-1180 % |
| Cos phi - verkningsgrad |
0,87-0,82 |
| Varvtal |
2920-2940 rpm |
| Kapslingsklass (EC 34-5) |
55 Dust/Jetting |
| Efficiency |
IE3 89,2% |
Motorns verkningsgrad vid full belastning |
89,2% |
| Motorverkningsgrad vid 3/4 last |
90% |
| Motorverkningsgrad vid 1/2 last |
89,6% |
| Isolationsklass (EC 85) |
F |
| Motorskydd |
PTC |
| Motornr |
87322229 |
| Övriga |
| Märka |
Grundfos Blueflux |
| Minsta effektivitetsindex, MEI ≥ |
0,70 |
| Nettovikt |
88 kg |
| Bruttovikt |
96 kg |
| Leveransvolym |
0,18 m3 |
Prestanda kurvor

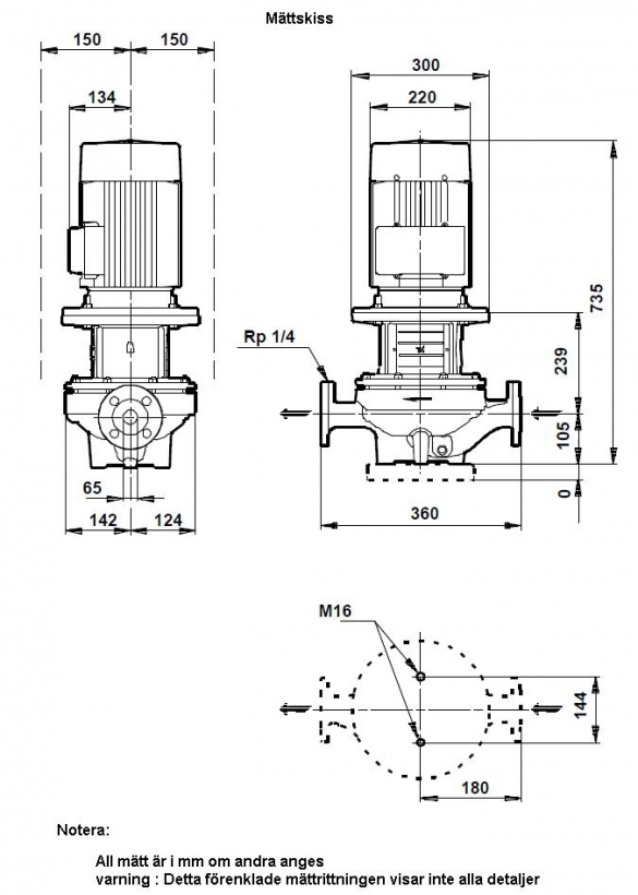
» Ritning med mått beskrivning
» Kopplings schema